LEMON Manuals: Even more car manuals for everyone
Home >> Toyota >> 2017 >> 86 Base, Automatic Trans >> Repair and Diagnosis >> Engine Performance >> System >> Engine Control System - Circuit Tests >> SFI System >> VC Output Circuit [06/2016 - ] >> Wiring Diagram

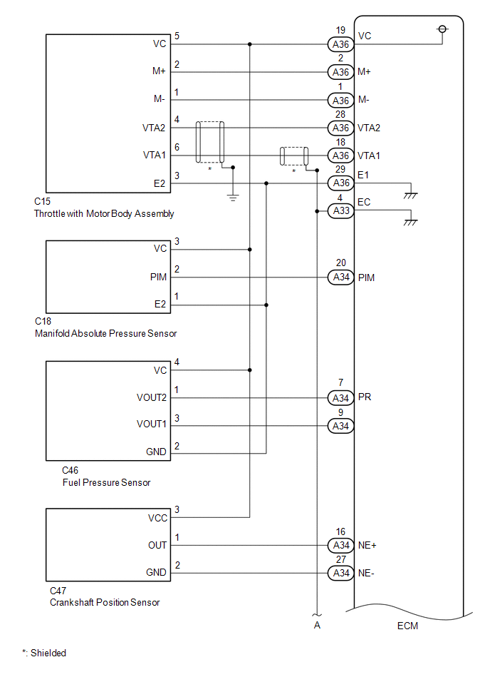
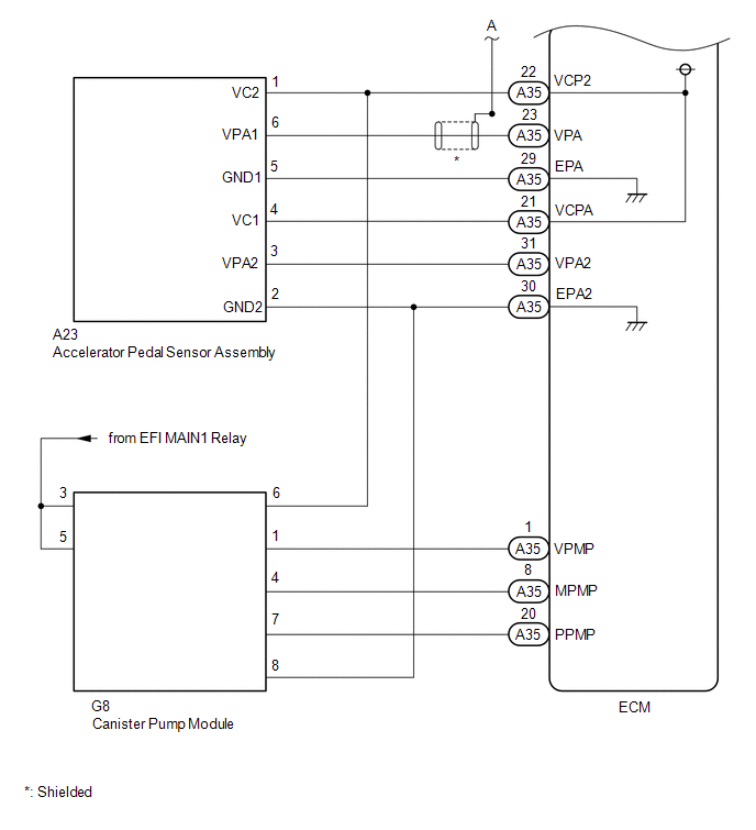
VC Output Circuit [06/2016 - ]: Wiring Diagram

GTY707514Courtesy of © TOYOTA, LICENSE AGREEMENT TMS1002
GTY712762Courtesy of © TOYOTA, LICENSE AGREEMENT TMS1002