LEMON Manuals: Even more car manuals for everyone
Home >> Toyota >> 2017 >> 86 Base, Automatic Trans >> Repair and Diagnosis >> Engine Performance >> System >> Engine Control System - Circuit Tests >> SFI System >> Fuel Pump Control Circuit [06/2016 - 03/2017] >> Wiring Diagram

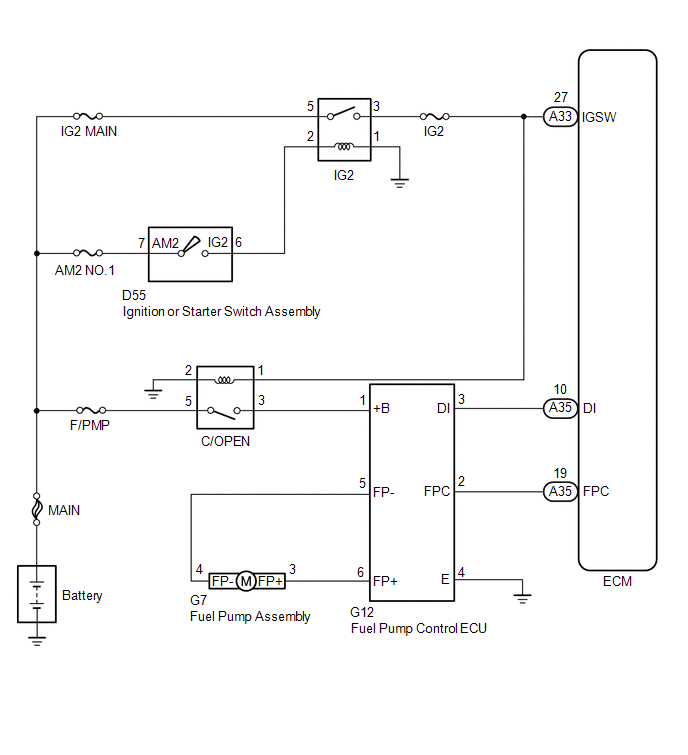
Fuel Pump Control Circuit [06/2016 - 03/2017]: Wiring Diagram

GTY712871Courtesy of © TOYOTA, LICENSE AGREEMENT TMS1002