LEMON Manuals: Even more car manuals for everyone
Home >> Toyota >> 2016 >> Corolla L, Automatic Trans >> Repair and Diagnosis >> Steering >> Manual Steering >> Power Steering System - Diagnostics - Introduction (Model Code: ZRE172) >> Power Steering System >> System Diagram [08/2013 - 08/2014] >> System Diagram [08/2013 - 08/2014]

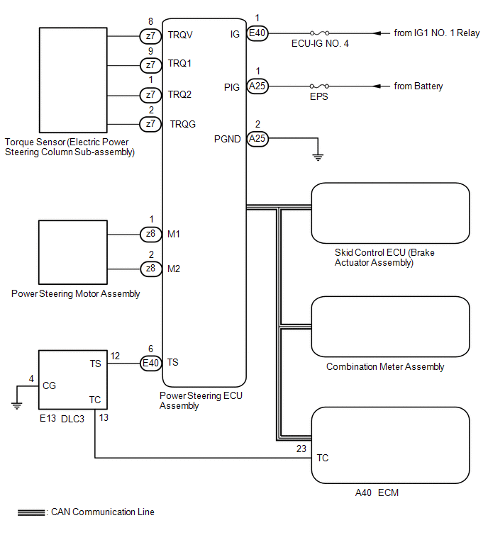
System Diagram [08/2013 - 08/2014]

Fig 1: Power Steering System Circuit Diagram
GTY448710Courtesy of © TOYOTA, LICENSE AGREEMENT TMS1002