LEMON Manuals: Even more car manuals for everyone
Home >> Toyota >> 2015 >> Prius Two >> Repair and Diagnosis >> External Pages >> Different variant/trim >> Section 9 (Theft Deterrent System / Keyless Entry System (Service Information) & Diagnostics (Plug-In)) >> Push-Button Start >> Symptom Testing >> Power Source Mode does not Change to ON (READY) [08/2014 - ] >> Wiring Diagram

Power Source Mode does not Change to ON (READY) [08/2014 - ]: Wiring Diagram

WARNING: This page is about a different variant/trim than selected.
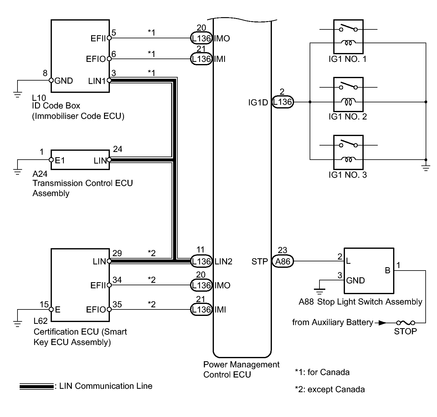
Fig 1: Identifying Power Management Control ECU Power Source Circuit Diagram (1 Of 2)
GTY340962Courtesy of © TOYOTA, LICENSE AGREEMENT TMS1002
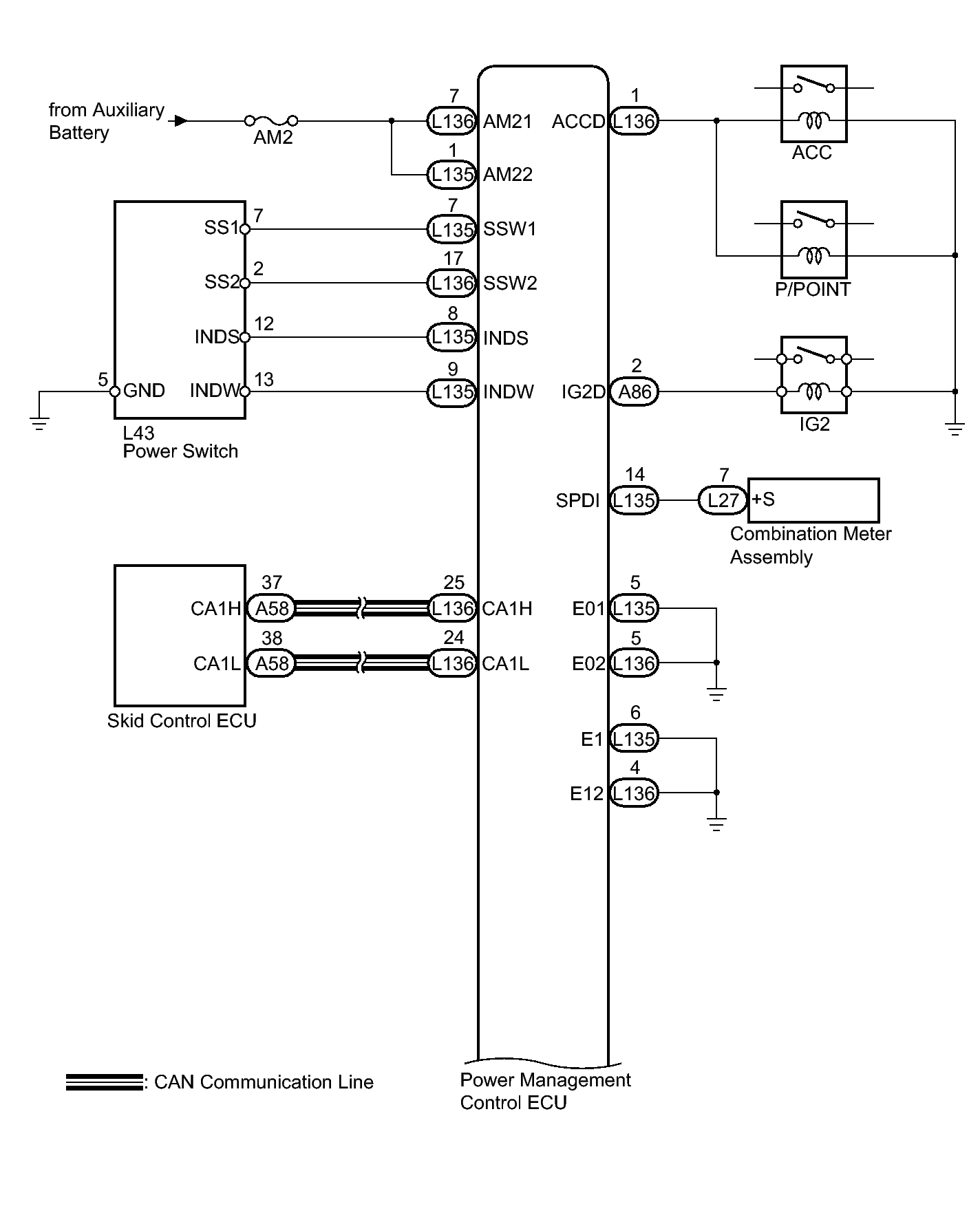
Fig 2: Identifying Power Management Control ECU Power Source Circuit Diagram (2 Of 2)
GTY336577Courtesy of © TOYOTA, LICENSE AGREEMENT TMS1002