LEMON Manuals: Even more car manuals for everyone
Home >> Toyota >> 2015 >> Prius Two >> Repair and Diagnosis >> External Pages >> Different variant/trim >> Section 72 (Plug-In Charge Control System - Diagnostic Codes & Circuit Tests (Plug-In)) >> Plug-In Charge Control System >> DTC P0D5C-848: Charging Power Malfunction [08/2014 - ] >> Procedure

DTC P0D5C-848: Charging Power Malfunction [08/2014 - ]: Procedure

WARNING: This page is about a different variant/trim than selected.
  1. CHECK DTC OUTPUT (HYBRID CONTROL) 
    1. Connect the Techstream to the DLC3.
    2. Turn the power switch on (IG).
    3. Enter the following menus: Powertrain / Hybrid Control / Trouble Codes.
    4. Check if DTCs are output.

      Result

      Result Proceed to
      Only P0D5C-848 is output or P0D5C-848 and DTCs other than the ones in the table below are also output. A
      DTCs shown in Table 1 are output simultaneously. B
      DTCs shown in Table 2 are output simultaneously. C
      TABLE 1

      DTC No. Relevant Diagnosis
      P0A1D-144, 148, 162, 721, 722, 723, 787, 818, 821, 823 Hybrid Powertrain Control Module
      P0AC0-817 Hybrid Battery Pack Current Sensor Circuit Range / Performance
      P0AFC-129 Hybrid Battery Pack Sensor Module
      P2511-149 HV CPU Power Relay Sense Circuit Intermittent No Continuity
      U019B-440 Lost Communication with Battery Charger Control Module
      TABLE 2

      DTC No. Relevant Diagnosis
      P0ABF-123 Hybrid Battery Pack Current Sensor Circuit
      P0AC0-123 Hybrid Battery Pack Current Sensor Circuit Range / Performance
      P0AC1-123 Hybrid Battery Pack Current Sensor Circuit Low
      P0AC2-123 Hybrid Battery Pack Current Sensor Circuit High
      P0AFC-123 Hybrid Battery Pack Sensor Module
      P0B10-123 Hybrid Battery Pack Current Sensor "B" Circuit Low
      P0B11-123 Hybrid Battery Pack Current Sensor "B" Circuit High
      P0B13-123 Hybrid Battery Pack Current Sensor "A"/"B" Correlation
      P0B3D-123 Hybrid Battery Voltage Sensor "A" Circuit Low
      P0B42-123 Hybrid Battery Voltage Sensor "B" Circuit Low
      P0B47-123 Hybrid Battery Voltage Sensor "C" Circuit Low
      P0B4C-123 Hybrid Battery Voltage Sensor "D" Circuit Low
      P0B51-123 Hybrid Battery Voltage Sensor "E" Circuit Low
      P0B56-123 Hybrid Battery Voltage Sensor "F" Circuit Low
      P0B5B-123 Hybrid Battery Voltage Sensor "G" Circuit Low
      P0B60-123 Hybrid Battery Voltage Sensor "H" Circuit Low
      P0B65-123 Hybrid Battery Voltage Sensor "I" Circuit Low
      P308A-123 Hybrid Battery Voltage Sensor All Circuits Low
      U029A-123 Lost Communication with Hybrid Battery Pack Sensor Module

      HINT: 

      P0D5C-848 may be output due to a malfunction which causes the DTCs in the table above to be output. In this case, first troubleshoot the output DTCs in the table above. Then, perform a reproduction test to check that no DTCs are output.

    5. Turn the power switch off.

    B → See step   4 

    C → See step   5 

    A: Go to next step 

  2. CHECK DTC OUTPUT (PLUG-IN CONTROL) 
    1. Connect the Techstream to the DLC3.
    2. Turn the power switch on (IG).
    3. Enter the following menus: Powertrain / Plug-in Control / Trouble Codes.
    4. Check if DTCs are output.

      Result

      Result Proceed to
      Only P0D5C-848 is output or P0D5C-848 and DTCs other than the ones in the table below are also output. A
      Any of the following DTCs are also output. B
      DTC No. Relevant Diagnosis
      P0D5C-847 Charging Power Malfunction
      P0D67-844 On-Board Charger Malfunction
      P2511-441 Reset Detected
      P316C-846 On-Board Charger Unable to Start
      U0293-439, 449 Lost Communication with Hybrid Powertrain Control Module

      HINT: 

      P0D5C-848 may be output due to a malfunction which causes the DTCs in the table above to be output. In this case, first troubleshoot the output DTCs in the table above. Then, perform a reproduction test to check that no DTCs are output.

    5. Turn the power switch off.

    B → See step   6 

    A: Go to next step 

  3. CHECK PLUGIN CHARGE CONTROL ECU ASSEMBLY (CHECK WAVEFORM (CHPW)) 
    1. Connect the Techstream to the DLC3.
    2. Connect an oscilloscope between the plugin charge control ECU assembly terminals specified in the table below.
    3. Turn the power switch on (IG).
    4. Enter the following menus: Powertrain / Plug-in Control / Data List
    5. Select "Request Charge Power Duty Ratio" in the Data List.
      Tester Display Measurement Item/Range
      Request Charge Power Duty Ratio Charging power duty value/
      Min.: 0.0 %, Max.: 127.5 %
    6. Measure the waveform.
      GTY330242Courtesy of © TOYOTA, LICENSE AGREEMENT TMS1002
      Item Contents
      Tester Connection z12-30 (CHPW) - S31-14(E1)
      Equipment Setting 5 V/DIV., 50 ms/DIV.
      Condition Power switch on (IG)
      TEXT IN ILLUSTRATION

      *a Component with harness connected
      (Plugin Charge Control ECU Assembly)
    7. Calculate duty (%) based on the CHPW waveform.
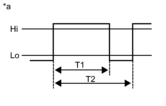
      GTY328379Courtesy of © TOYOTA, LICENSE AGREEMENT TMS1002
      TEXT IN ILLUSTRATION

      *a Reference Diagram For Duty Calculation

      HINT: 

      Calculate duty (%) using the following formula: Duty (%) = T1 / T2 x 100 (%)

    8. Compare the Data List item "Request Charge Power Duty Ratio" with the duty (%) calculated based on CHPW waveform.

      Result

      Result Proceed to
      The difference between "Request Charge Power Duty Ratio" and the duty (%) calculated based on CHPW waveform is less than 25 %. A
      The difference between "Request Charge Power Duty Ratio" and the duty (%) calculated based on CHPW waveform is 25 % or more. B
    9. Turn the power switch off.

    B → See step   7 

    A → See step   8 

  4. GO TO DTC CHART (HYBRID CONTROL SYSTEM). Refer to  DIAGNOSTIC TROUBLE CODE CHART [08/2014 - ] 
  5. GO TO DTC CHART (HYBRID BATTERY SYSTEM). Refer to  DIAGNOSTIC TROUBLE CODE CHART [08/2014 - ] 
  6. GO TO DTC CHART (PLUG-IN CHARGE CONTROL SYSTEM). Refer to  DIAGNOSTIC TROUBLE CODE CHART [08/2014 - ] 
  7. REPLACE PLUGIN CHARGE CONTROL ECU ASSEMBLY. Refer to  COMPONENTS [08/2014 - ] 
  8. REPLACE ELECTRIC VEHICLE CHARGER ASSEMBLY. Refer to  COMPONENTS [08/2014 - ]