LEMON Manuals: Even more car manuals for everyone
Home >> Toyota >> 2015 >> Prius Three >> Repair and Diagnosis >> External Pages >> Different variant/trim >> Section 109 (Plug-In Charge Control System - Diagnostics - Introduction (Plug-In)) >> Plug-In Charge Control System >> System Diagram [08/2014 - ] >> System Diagram [08/2014 - ]

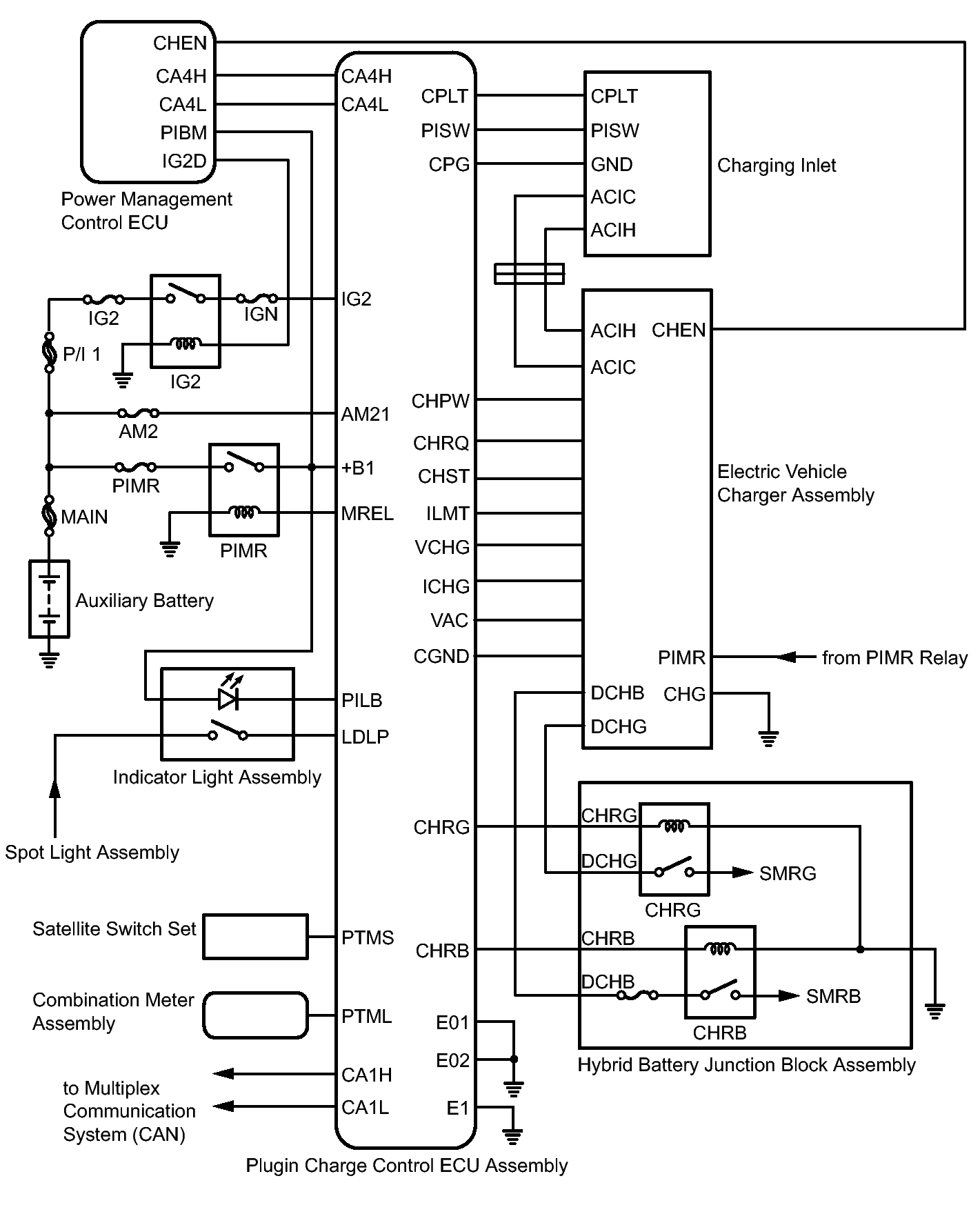
System Diagram [08/2014 - ]

WARNING: This page is about a different variant/trim than selected.
Fig 1: Identifying Plug-In Charge Control System Diagram
GTY473605Courtesy of © TOYOTA, LICENSE AGREEMENT TMS1002