LEMON Manuals: Even more car manuals for everyone
Home >> Toyota >> 2014 >> Prius Two >> Repair and Diagnosis >> External Pages >> Different variant/trim >> Section 10 (Theft Deterrent / Keyless Entry System (Diagnostics & Service Information) (Plug-In)) >> Push-Button Start >> Symptom Tests >> Power Source Mode does not Change to ON (IG and ACC) [10/2013 - ] >> Wiring Diagram

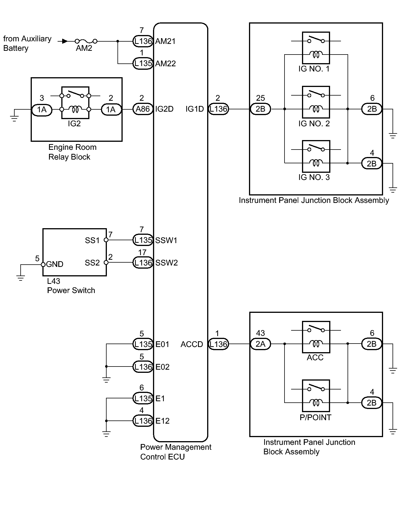
Power Source Mode does not Change to ON (IG and ACC) [10/2013 - ]: Wiring Diagram

WARNING: This page is about a different variant/trim than selected.
Fig 1: Identifying Power Management Control ECU Power Source Circuit Diagram
GTY334903Courtesy of © TOYOTA, LICENSE AGREEMENT TMS1002