LEMON Manuals: Even more car manuals for everyone
Home >> Toyota >> 2014 >> Prius Two >> Repair and Diagnosis >> Engine Performance >> System >> Engine Control System (Diagnostic Codes & Circuit Tests) (Except Plug-In) >> SFI System >> Circuit Tests >> Fuel Pump Control Circuit [10/2013 - ] >> Wiring Diagram

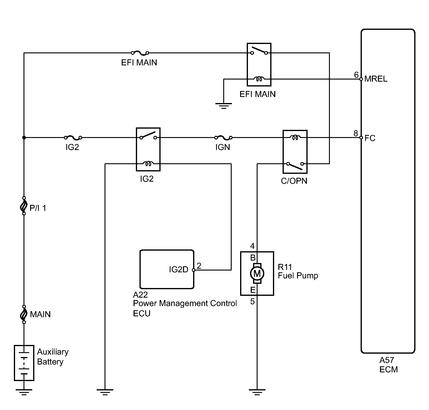
Fuel Pump Control Circuit [10/2013 - ]: Wiring Diagram

Fig 1: Fuel Pump Control Circuit Wiring Diagram
GTY329604Courtesy of © TOYOTA, LICENSE AGREEMENT TMS1002