LEMON Manuals: Even more car manuals for everyone
Home >> Toyota >> 2014 >> Corolla LE Eco Plus >> Repair and Diagnosis >> Engine Performance >> System >> Engine Control System (2ZR-FAE) - Diagnostics - Introduction (Model Code: ZRE172) >> SFI System >> System Diagram [08/2016 - ] >> System Diagram [08/2016 - ]

System Diagram [08/2016 - ]

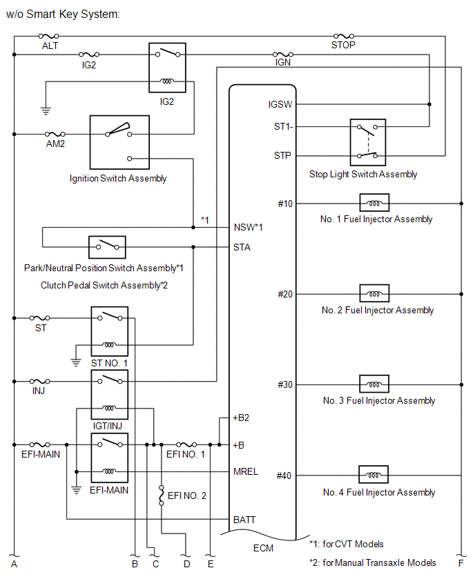
Fig 1: SFI System Circuit Diagram (1 Of 5)
GTY738327Courtesy of © TOYOTA, LICENSE AGREEMENT TMS1002
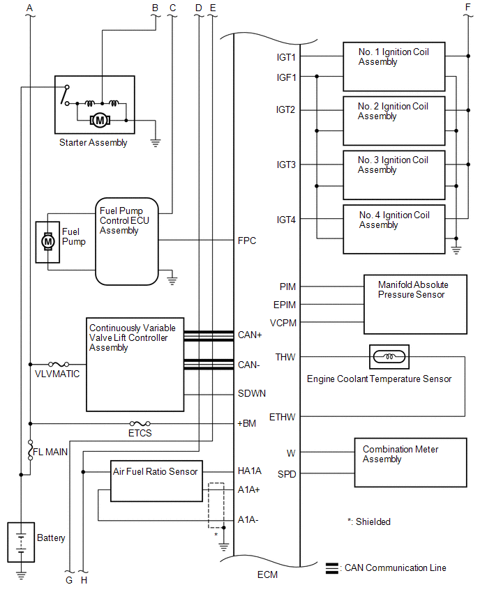
Fig 2: SFI System Circuit Diagram (2 Of 5)
GTY712407Courtesy of © TOYOTA, LICENSE AGREEMENT TMS1002
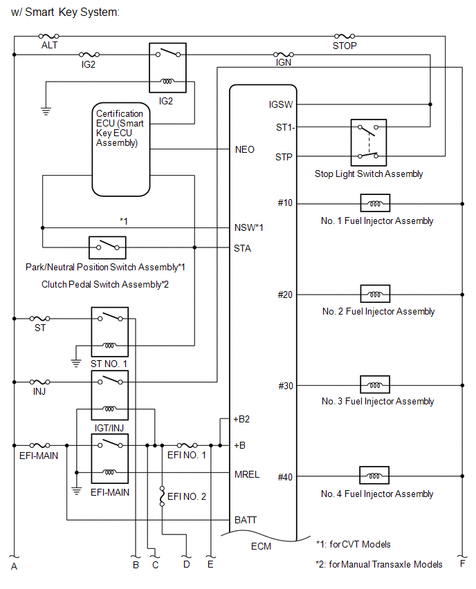
Fig 3: SFI System Circuit Diagram (3 Of 5)
GTY696903Courtesy of © TOYOTA, LICENSE AGREEMENT TMS1002
Fig 4: SFI System Circuit Diagram (4 Of 5)
GTY724591Courtesy of © TOYOTA, LICENSE AGREEMENT TMS1002
Fig 5: SFI System Circuit Diagram (5 Of 5)
GTY724062Courtesy of © TOYOTA, LICENSE AGREEMENT TMS1002