LEMON Manuals: Even more car manuals for everyone
Home >> Toyota >> 2014 >> Corolla L, Standard Trans >> Repair and Diagnosis >> Steering >> Power Steering >> Power Steering System - Diagnostics - Introduction (Model Code: ZRE172) >> Power Steering System >> System Diagram [08/2014 - 08/2016] >> System Diagram [08/2014 - 08/2016]

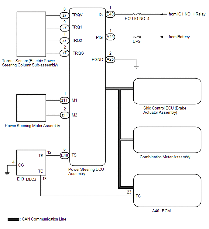
System Diagram [08/2014 - 08/2016]

Fig 1: Power Steering System Circuit Diagram
GTY480607Courtesy of © TOYOTA, LICENSE AGREEMENT TMS1002