LEMON Manuals: Even more car manuals for everyone
Home >> Toyota >> 2014 >> Corolla L, Standard Trans >> Repair and Diagnosis >> Restraints >> Air Bag, SRS >> Occupant Classification System - Diagnostics - Introduction (Model Code: ZRE172) >> Occupant Classification System >> System Diagram [08/2013 - 08/2016] >> System Diagram [08/2013 - 08/2016]

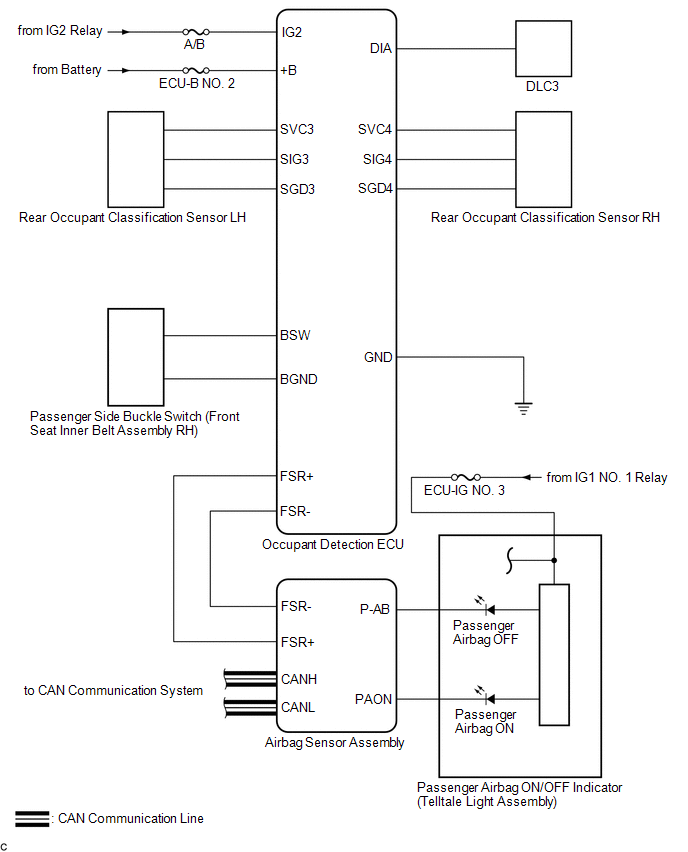
System Diagram [08/2013 - 08/2016]

Fig 1: Occupant Classification System Circuit Diagram
GTY436334Courtesy of © TOYOTA, LICENSE AGREEMENT TMS1002