LEMON Manuals: Even more car manuals for everyone
Home >> Toyota >> 2013 >> Sienna Base, Van Cargo >> Repair and Diagnosis >> Body & Frame >> Door Locks >> Smart Key System (For Entry Function) (Diagnostics - Introduction) >> SMART KEY SYSTEM (for Entry Function) >> System Diagram >> System Diagram

System Diagram

Fig 1: Smart Key System (For Entry Function) - System Diagram (1 Of 2)
GTY295826Courtesy of © TOYOTA, LICENSE AGREEMENT TMS1002
Fig 2: Smart Key System (For Entry Function) - System Diagram (2 Of 2)
GTY295608Courtesy of © TOYOTA, LICENSE AGREEMENT TMS1002
COMMUNICATION TABLE

Sender Receiver Signal Line
Main body ECU Certification ECU
  • Courtesy light switch signal
  • Door lock position switch signal
  • Driver door key operated switch signal
  • Door lock output signal
  • Back door output request signal
  • Steering wheel location (vehicle type) signal
  • Door lock output signal
CAN
Power Management Control ECU Certification ECU
  • IG signal
  • ACC signal
  • Engine switch signal
LIN
Combination Meter Assembly
  • Certification ECU
  • Main Body ECU
Vehicle speed signal CAN
Steering Lock ECU Certification ECU
  • Encryption code signal
  • Encryption code finish signal
  • Encryption calculate fixed number memory requirement signal
  • During entry control signal
LIN
Certification ECU Combination Meter Assembly
  • Inside key existence warning signal
  • Low key battery warning signal
  • Shift position warning signal
  • Meter buzzer request signal
  • Door open indicate signal
  • Steering lock warning signal
CAN
Certification ECU Main Body ECU
  • Entry door lock signal
  • Entry door unlock signal
  • Door lock/unlock standby control signal
  • Wireless door lock buzzer sound signal
  • Smart power slide door open request signal
CAN
Certification ECU Power Management Control ECU
  • Immobilizer ID entry required signal
  • Key code check signal
LIN
Main body ECU Power Slide Door ECU Smart power slide door open request signal CAN
Power Slide Door ECU Certification ECU Smart power slide door switch signal CAN
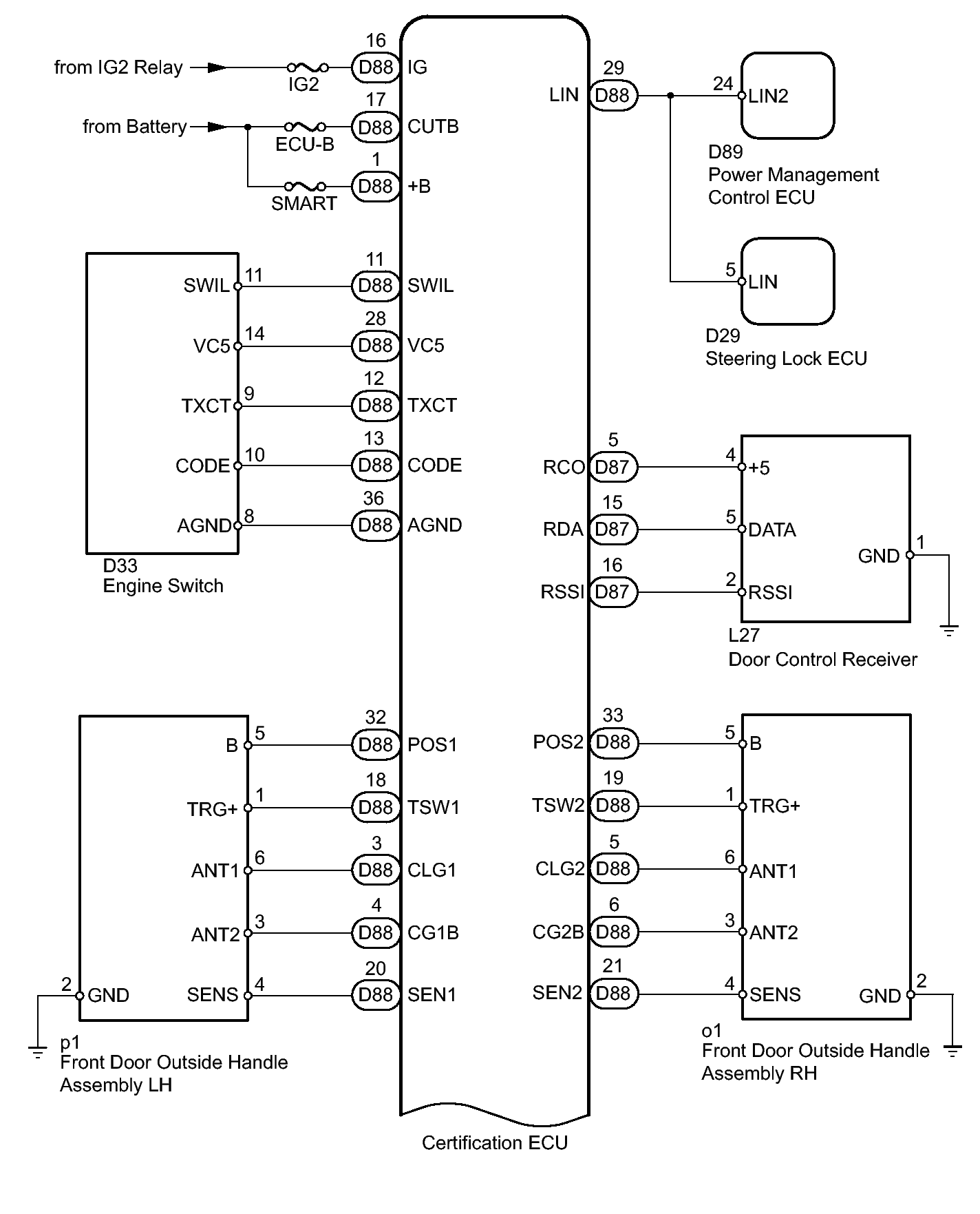
Fig 3: Smart Key System Circuit Diagram (1 Of 3)
GTY383123Courtesy of © TOYOTA, LICENSE AGREEMENT TMS1002
Fig 4: Smart Key System Circuit Diagram (2 Of 3)
GTY362601Courtesy of © TOYOTA, LICENSE AGREEMENT TMS1002
Fig 5: Smart Key System Circuit Diagram (3 Of 3)
GTY325193Courtesy of © TOYOTA, LICENSE AGREEMENT TMS1002