LEMON Manuals: Even more car manuals for everyone
Home >> Toyota >> 2013 >> Prius Two >> Repair and Diagnosis >> External Pages >> Different variant/trim >> Section 84 (Dynamic Radar Cruise Control System (Diagnostics - Introduction) (Plug-In)) >> Dynamic Radar Cruise Control System >> System Diagram >> System Diagram

System Diagram

WARNING: This page is about a different variant/trim than selected.
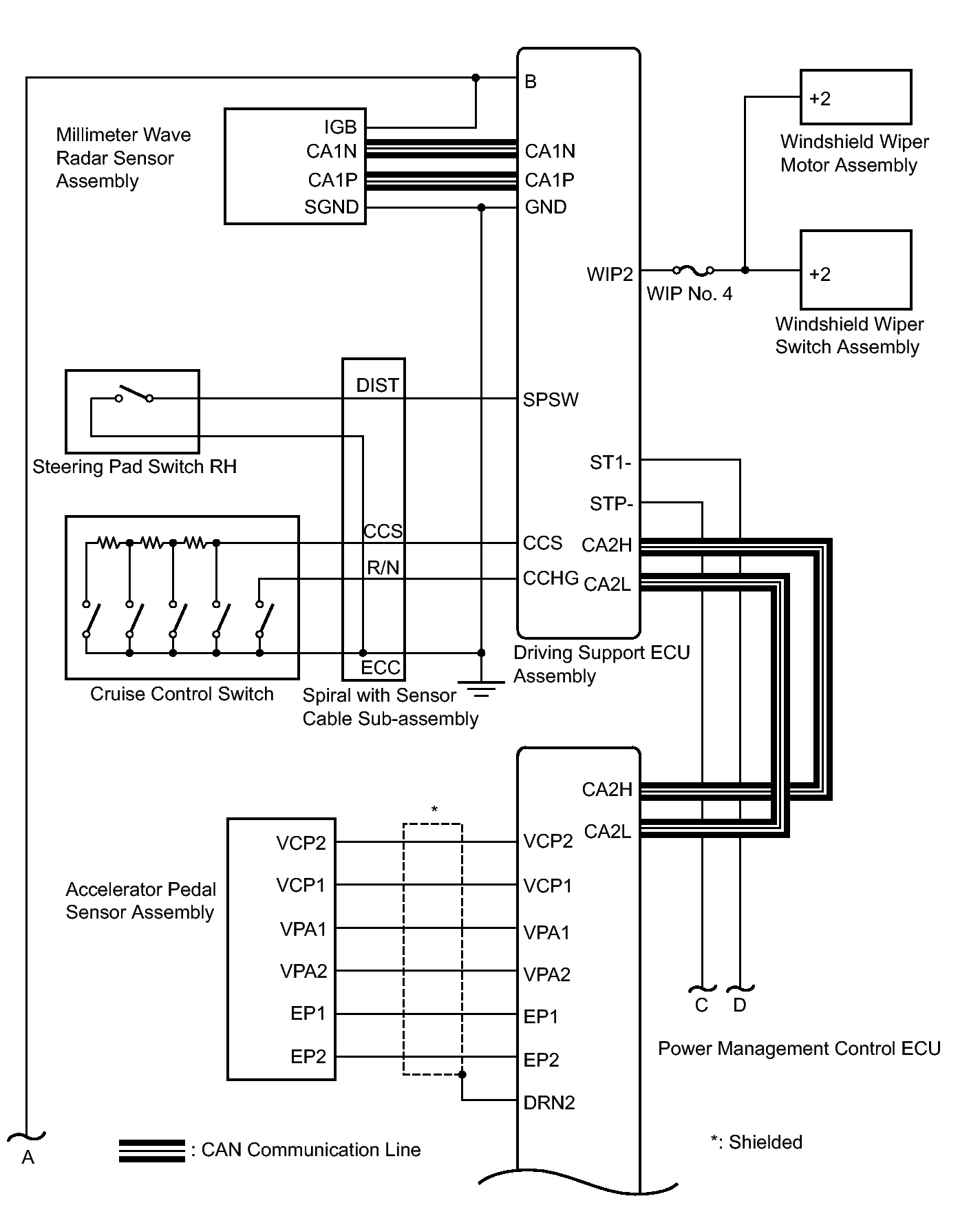
Fig 1: Identifying Dynamic Radar Cruise Control System Circuit Diagram (1 Of 4)
GTY326787Courtesy of © TOYOTA, LICENSE AGREEMENT TMS1002
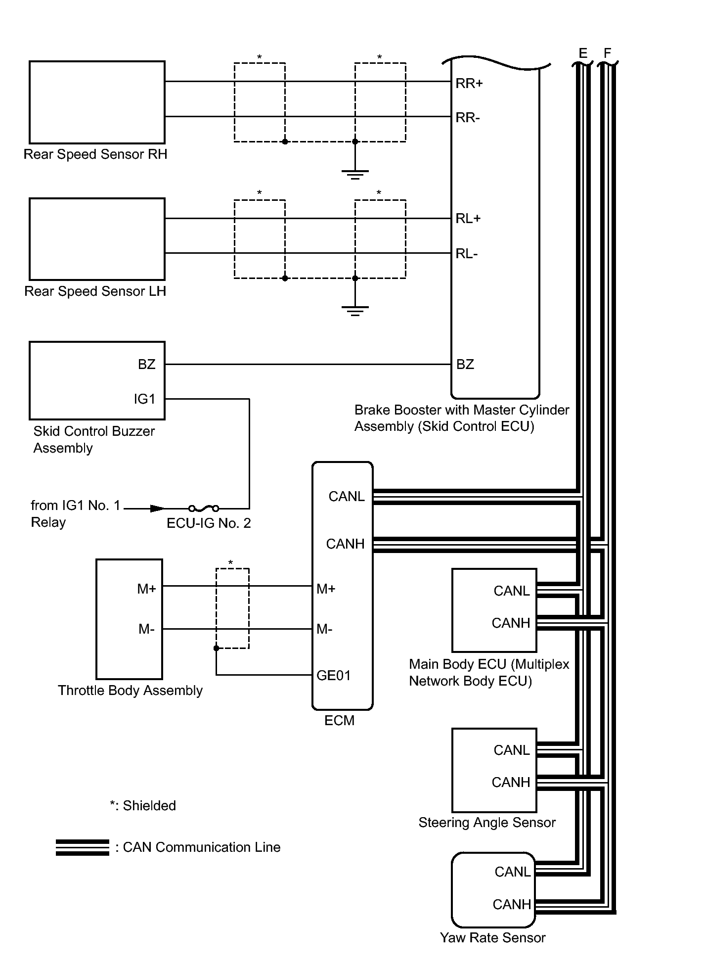
Fig 2: Identifying Dynamic Radar Cruise Control System Circuit Diagram (2 Of 4)
GTY327507Courtesy of © TOYOTA, LICENSE AGREEMENT TMS1002
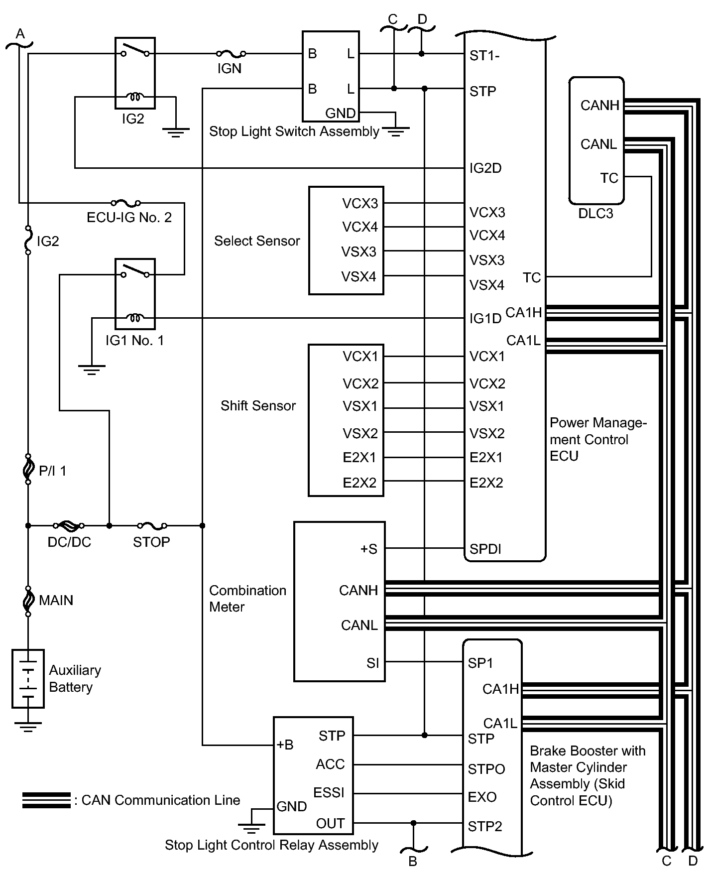
Fig 3: Identifying Dynamic Radar Cruise Control System Circuit Diagram (3 Of 4)
GTY324725Courtesy of © TOYOTA, LICENSE AGREEMENT TMS1002
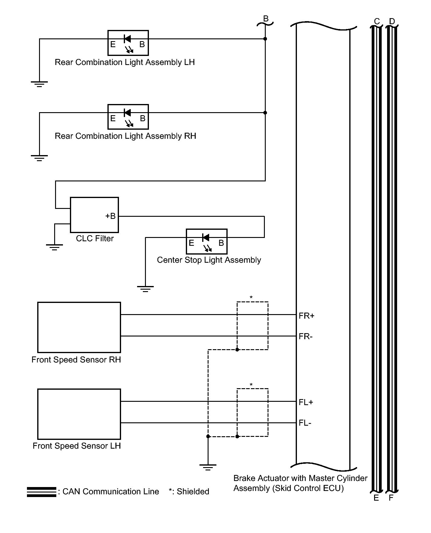
Fig 4: Identifying Dynamic Radar Cruise Control System Circuit Diagram (4 Of 4)
GTY335768Courtesy of © TOYOTA, LICENSE AGREEMENT TMS1002
COMMUNICATION TABLE

Sender Receiver Signal Line
Power Management Control ECU Driving Support ECU Assembly Actual drive force signal CAN
Accelerator pedal idle position signal
Accelerator pedal position signal
Shift state signal (D and R)
Cruise control operation signal
Hybrid control system malfunction signal
SFI system malfunction signal
Driving Support ECU Assembly Power Management Control ECU Target drive force signal CAN
Forward vehicle relative speed
Brake Booster with Master Cylinder (Skid Control ECU) Driving Support ECU Assembly Speed signal CAN
Speed sensor signal
Vehicle acceleration signal
Brake control operation signal
Electronically controlled brake system malfunction signal
Speed sensor warning signal
Stop light switch control relay malfunction signal
Skid control buzzer malfunction signal
Cruise control cancel demand signal
Yaw rate sensor zero point signal
Driving Support ECU Assembly Brake Booster with Master Cylinder (Skid Control ECU) Skid control buzzer operate demand signal CAN
Vehicle following distance signal
Driving Support ECU Assembly Combination Meter sub-assembly Vehicle approach warning signal CAN
Forward vehicle detection signal
Cruise control diagnosis signal
Vehicle-to-vehicle distance signal
Dirt present on millimeter wave radar sensor signal
Bad weather detection signal
Low speed cancel buzzer request signal
Vehicle-to-vehicle distance control standby signal
Constant speed cruise signal
Cruise indicator light operation signal
Cruise control warning signal
Dynamic radar cruise warning signal
Cruise control vehicle speed signal
Main Body ECU Driving Support ECU Assembly Country specification information signal CAN
Yaw Rate Sensor Driving Support ECU Assembly Yaw rate sensor signal CAN
Yaw rate sensor voltage signal
Steering Angle Sensor (Built into Spiral with Sensor Cable Sub-assembly) Driving Support ECU Assembly +B open circuit malfunction signal CAN
Steering sensor malfunction signal
Steering angle signal
Steering signal zero point signal
Power Management Control ECU Combination Meter Sub-assembly Cruise control SET indicator operation signal CAN