LEMON Manuals: Even more car manuals for everyone
Home >> Toyota >> 2013 >> Prius Two >> Repair and Diagnosis >> External Pages >> Different variant/trim >> Section 141 (OEM System Circuits (Plug-In)) >> Stop Light >> Notes

Stop Light: Notes

WARNING: This page is about a different variant/trim than selected.
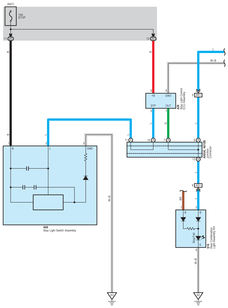
Fig 1: Stop Light System Wiring Diagram (1 Of 2)
G09100253Courtesy of © TOYOTA, LICENSE AGREEMENT TMS1002
Fig 2: Stop Light System Wiring Diagram (2 Of 2)
G09100254Courtesy of © TOYOTA, LICENSE AGREEMENT TMS1002