LEMON Manuals: Even more car manuals for everyone
Home >> Toyota >> 2013 >> Prius Two >> Repair and Diagnosis >> External Pages >> Different variant/trim >> Section 141 (OEM System Circuits (Plug-In)) >> Seat Belt Warning >> Notes

Seat Belt Warning: Notes

WARNING: This page is about a different variant/trim than selected.
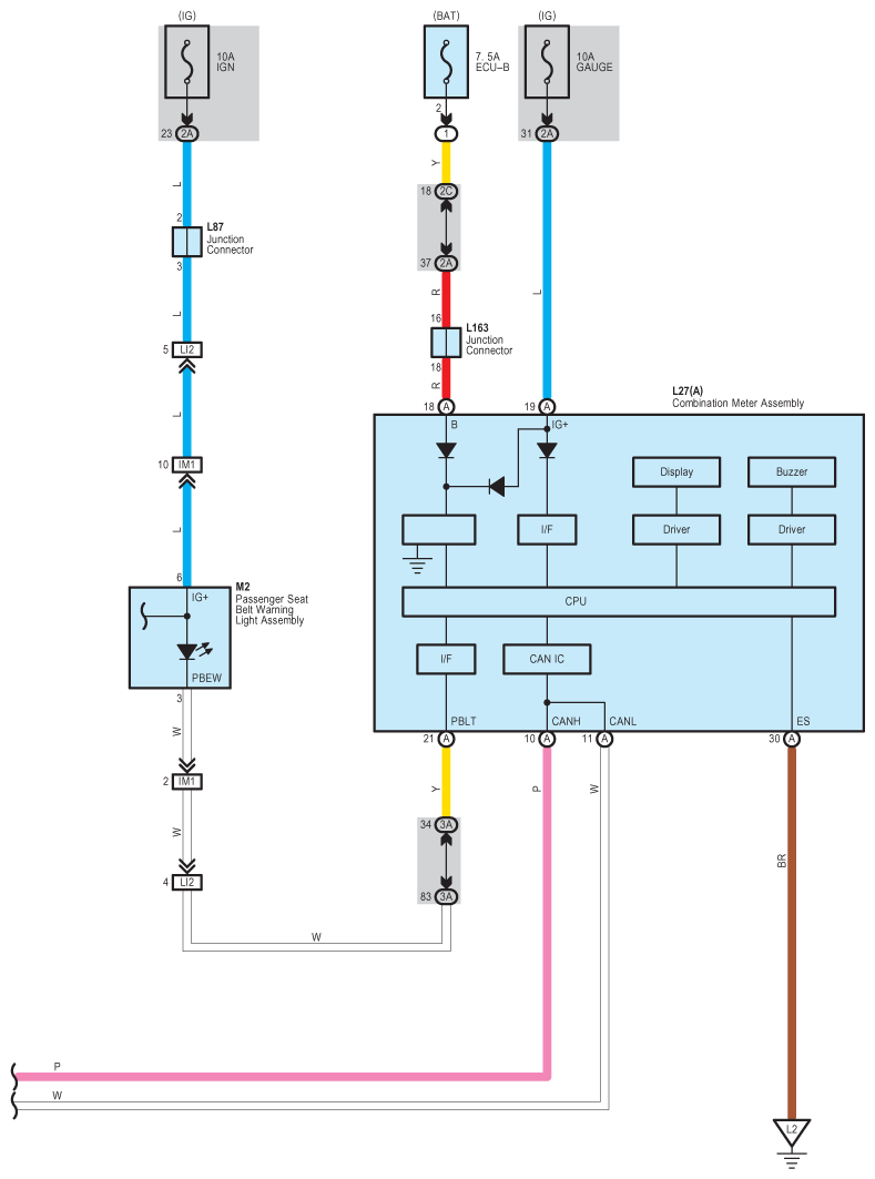
Fig 1: Seat Belt Warning System Wiring Diagram (1 Of 3)
G09100320Courtesy of © TOYOTA, LICENSE AGREEMENT TMS1002
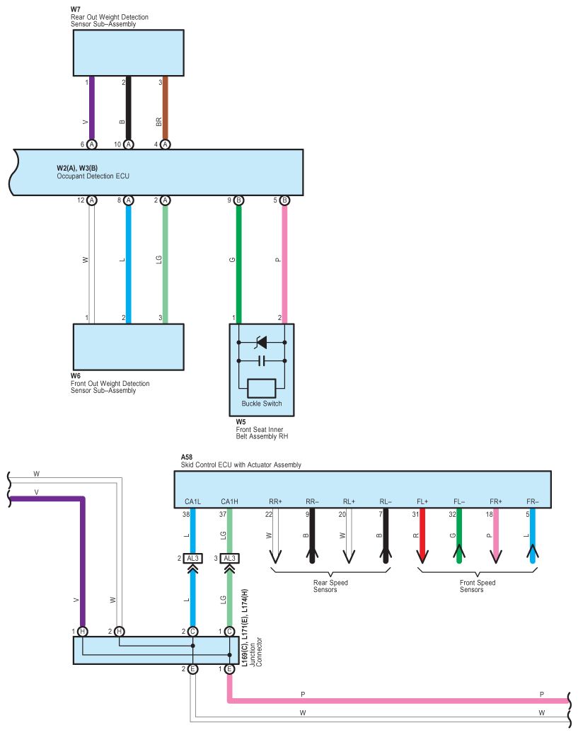
Fig 2: Seat Belt Warning System Wiring Diagram (2 Of 3)
G09100321Courtesy of © TOYOTA, LICENSE AGREEMENT TMS1002
Fig 3: Seat Belt Warning System Wiring Diagram (3 Of 3)
G09100322Courtesy of © TOYOTA, LICENSE AGREEMENT TMS1002