LEMON Manuals: Even more car manuals for everyone
Home >> Toyota >> 2013 >> Prius Two >> Repair and Diagnosis >> External Pages >> Different variant/trim >> Section 141 (OEM System Circuits (Plug-In)) >> Safety Connect >> : Ground Points

: Ground Points

WARNING: This page is about a different variant/trim than selected.
Code See Ground Points Location
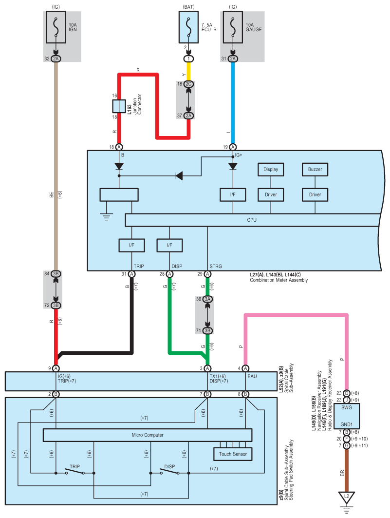
L1 : LOCATION OF CONNECTOR JOINING WIRE HARNESS AND WIRE HARNESS Instrument Panel Reinforcement
L2
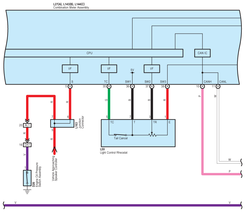
Fig 1: Combination Meter Wiring Diagram (1 Of 9)
G09100384Courtesy of © TOYOTA, LICENSE AGREEMENT TMS1002
Fig 2: Combination Meter Wiring Diagram (2 Of 9)
G09100385Courtesy of © TOYOTA, LICENSE AGREEMENT TMS1002
Fig 3: Combination Meter Wiring Diagram (3 Of 9)
G09100386Courtesy of © TOYOTA, LICENSE AGREEMENT TMS1002
Fig 4: Combination Meter Wiring Diagram (4 Of 9)
G09100387Courtesy of © TOYOTA, LICENSE AGREEMENT TMS1002
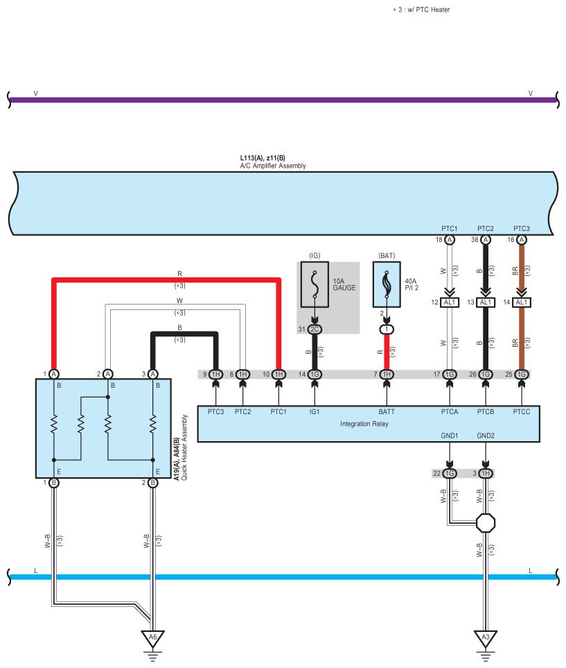
Fig 5: Combination Meter Wiring Diagram (5 Of 9)
G09100388Courtesy of © TOYOTA, LICENSE AGREEMENT TMS1002
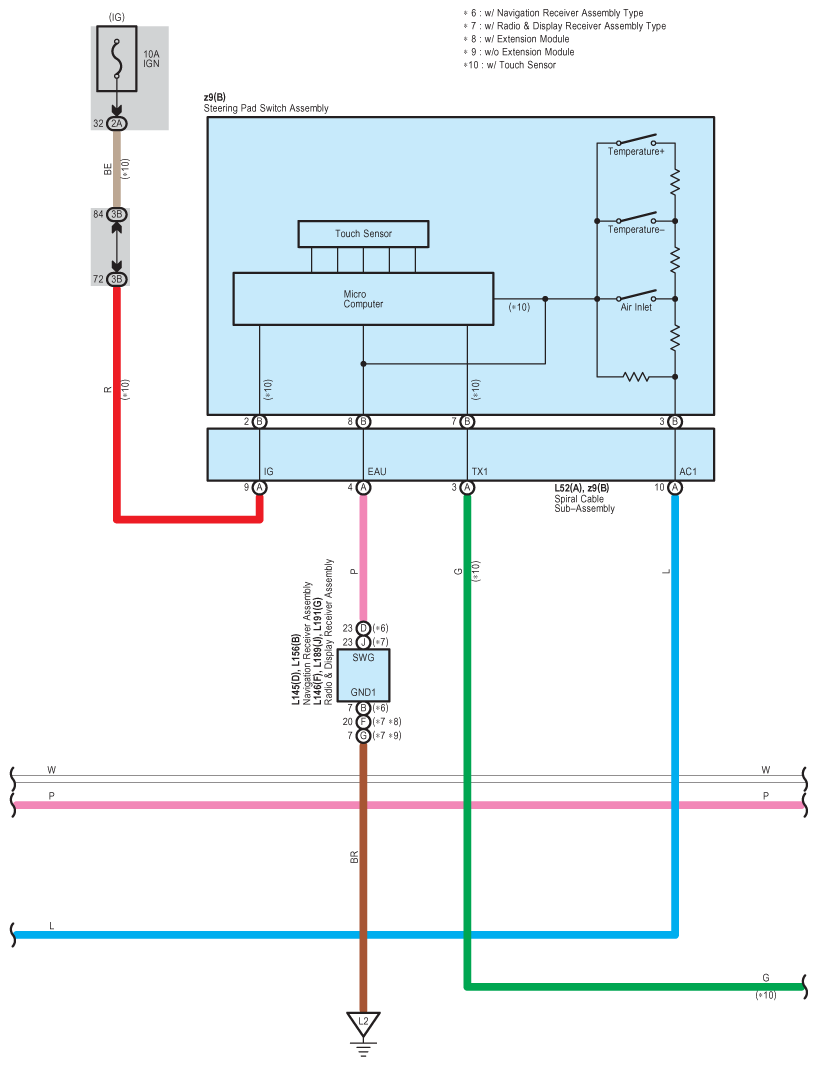
Fig 6: Combination Meter Wiring Diagram (6 Of 9)
G09100389Courtesy of © TOYOTA, LICENSE AGREEMENT TMS1002
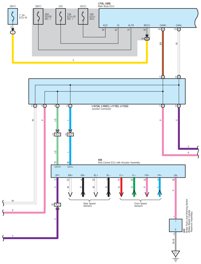
Fig 7: Combination Meter Wiring Diagram (7 Of 9)
G09100390Courtesy of © TOYOTA, LICENSE AGREEMENT TMS1002
Fig 8: Combination Meter Wiring Diagram (8 Of 9)
G09100391Courtesy of © TOYOTA, LICENSE AGREEMENT TMS1002
Fig 9: Combination Meter Wiring Diagram (9 Of 9)
G09100392Courtesy of © TOYOTA, LICENSE AGREEMENT TMS1002


Code See Ground Points Location
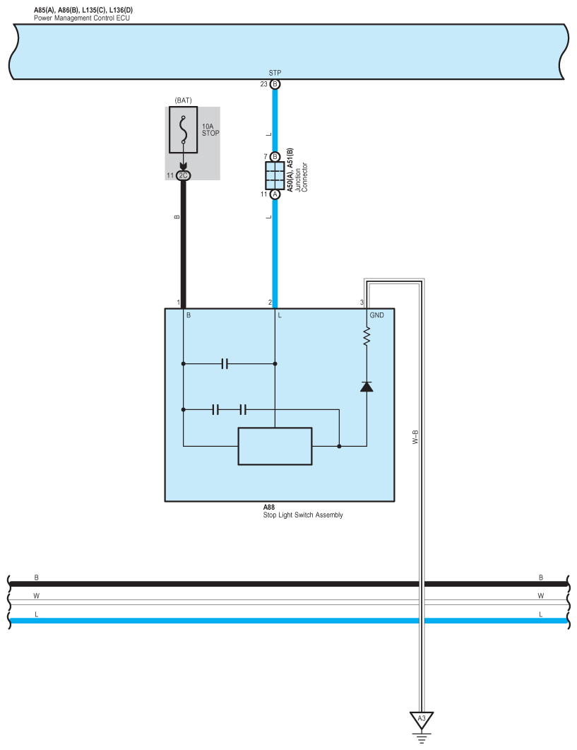
A1 : LOCATION OF CONNECTOR JOINING WIRE HARNESS AND WIRE HARNESS Front Fender Apron RH
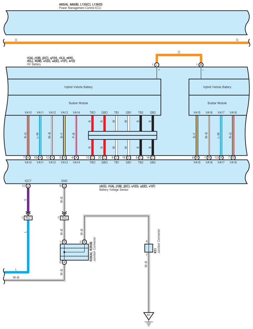
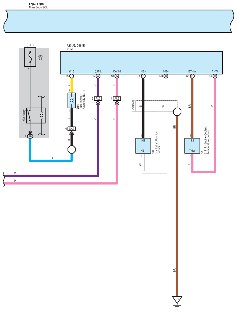
D1 : LOCATION OF CONNECTOR JOINING WIRE HARNESS AND WIRE HARNESS Engine Unit
L1 : LOCATION OF CONNECTOR JOINING WIRE HARNESS AND WIRE HARNESS Instrument Panel Reinforcement
L2
L3
R1 : LOCATION OF CONNECTOR JOINING WIRE HARNESS AND WIRE HARNESS Quarter Panel LH
Fig 1: Cooling Fan Wiring Diagram
G09100393Courtesy of © TOYOTA, LICENSE AGREEMENT TMS1002
Fig 2: Cooling Fan Wiring Diagram
G09100394Courtesy of © TOYOTA, LICENSE AGREEMENT TMS1002
Fig 3: Cooling Fan Wiring Diagram
G09100395Courtesy of © TOYOTA, LICENSE AGREEMENT TMS1002


Code See Ground Points Location
A3 : LOCATION OF CONNECTOR JOINING WIRE HARNESS AND WIRE HARNESS Front Fender Apron LH
A4
D1 : LOCATION OF CONNECTOR JOINING WIRE HARNESS AND WIRE HARNESS Engine Unit
Fig 1: Air Conditioning System Wiring Diagram (1 Of 11)
G09100396Courtesy of © TOYOTA, LICENSE AGREEMENT TMS1002
Fig 2: Air Conditioning System Wiring Diagram (2 Of 11)
G09100397Courtesy of © TOYOTA, LICENSE AGREEMENT TMS1002
Fig 3: Air Conditioning System Wiring Diagram (3 Of 11)
G09100398Courtesy of © TOYOTA, LICENSE AGREEMENT TMS1002
Fig 4: Air Conditioning System Wiring Diagram (4 Of 11)
G09100399Courtesy of © TOYOTA, LICENSE AGREEMENT TMS1002
Fig 5: Air Conditioning System Wiring Diagram (5 Of 11)
G09100400Courtesy of © TOYOTA, LICENSE AGREEMENT TMS1002
Fig 6: Air Conditioning System Wiring Diagram (6 Of 11)
G09100401Courtesy of © TOYOTA, LICENSE AGREEMENT TMS1002
Fig 7: Air Conditioning System Wiring Diagram (7 Of 11)
G09100402Courtesy of © TOYOTA, LICENSE AGREEMENT TMS1002
Fig 8: Air Conditioning System Wiring Diagram (8 Of 11)
G09100403Courtesy of © TOYOTA, LICENSE AGREEMENT TMS1002
Fig 9: Air Conditioning System Wiring Diagram (9 Of 11)
G09100404Courtesy of © TOYOTA, LICENSE AGREEMENT TMS1002
Fig 10: Air Conditioning System Wiring Diagram (10 Of 11)
G09100405Courtesy of © TOYOTA, LICENSE AGREEMENT TMS1002
Fig 11: Air Conditioning System Wiring Diagram (11 Of 11)
G09100406Courtesy of © TOYOTA, LICENSE AGREEMENT TMS1002


Code See Ground Points Location
A3 : LOCATION OF CONNECTOR JOINING WIRE HARNESS AND WIRE HARNESS Front Fender Apron LH
A4
A6 : LOCATION OF CONNECTOR JOINING WIRE HARNESS AND WIRE HARNESS Cowl Side Panel RH
D1 : LOCATION OF CONNECTOR JOINING WIRE HARNESS AND WIRE HARNESS Engine Unit
D2
L1 : LOCATION OF CONNECTOR JOINING WIRE HARNESS AND WIRE HARNESS Instrument Panel Reinforcement
L2
L3
Fig 1: Remote Air Conditioning System Wiring Diagram (1 Of 22)
G09100407Courtesy of © TOYOTA, LICENSE AGREEMENT TMS1002
Fig 2: Remote Air Conditioning System Wiring Diagram (2 Of 22)
G09100408Courtesy of © TOYOTA, LICENSE AGREEMENT TMS1002
Fig 3: Remote Air Conditioning System Wiring Diagram (3 Of 22)
G09100409Courtesy of © TOYOTA, LICENSE AGREEMENT TMS1002
Fig 4: Remote Air Conditioning System Wiring Diagram (4 Of 22)
G09100410Courtesy of © TOYOTA, LICENSE AGREEMENT TMS1002
Fig 5: Remote Air Conditioning System Wiring Diagram (5 Of 22)
G09100411Courtesy of © TOYOTA, LICENSE AGREEMENT TMS1002
Fig 6: Remote Air Conditioning System Wiring Diagram (6 Of 22)
G09100412Courtesy of © TOYOTA, LICENSE AGREEMENT TMS1002
Fig 7: Remote Air Conditioning System Wiring Diagram (7 Of 22)
G09100413Courtesy of © TOYOTA, LICENSE AGREEMENT TMS1002
Fig 8: Remote Air Conditioning System Wiring Diagram (8 Of 22)
G09100414Courtesy of © TOYOTA, LICENSE AGREEMENT TMS1002
Fig 9: Remote Air Conditioning System Wiring Diagram (9 Of 22)
G09100415Courtesy of © TOYOTA, LICENSE AGREEMENT TMS1002
Fig 10: Remote Air Conditioning System Wiring Diagram (10 Of 22)
G09100416Courtesy of © TOYOTA, LICENSE AGREEMENT TMS1002
Fig 11: Remote Air Conditioning System Wiring Diagram (11 Of 22)
G09100417Courtesy of © TOYOTA, LICENSE AGREEMENT TMS1002
Fig 12: Remote Air Conditioning System Wiring Diagram (12 Of 22)
G09100418Courtesy of © TOYOTA, LICENSE AGREEMENT TMS1002
Fig 13: Remote Air Conditioning System Wiring Diagram (13 Of 22)
G09100419Courtesy of © TOYOTA, LICENSE AGREEMENT TMS1002
Fig 14: Remote Air Conditioning System Wiring Diagram (14 Of 22)
G09100420Courtesy of © TOYOTA, LICENSE AGREEMENT TMS1002
Fig 15: Remote Air Conditioning System Wiring Diagram (15 Of 22)
G09100421Courtesy of © TOYOTA, LICENSE AGREEMENT TMS1002
Fig 16: Remote Air Conditioning System Wiring Diagram (16 Of 22)
G09100422Courtesy of © TOYOTA, LICENSE AGREEMENT TMS1002
Fig 17: Remote Air Conditioning System Wiring Diagram (17 Of 22)
G09100423Courtesy of © TOYOTA, LICENSE AGREEMENT TMS1002
Fig 18: Remote Air Conditioning System Wiring Diagram (18 Of 22)
G09100424Courtesy of © TOYOTA, LICENSE AGREEMENT TMS1002
Fig 19: Remote Air Conditioning System Wiring Diagram (19 Of 22)
G09100425Courtesy of © TOYOTA, LICENSE AGREEMENT TMS1002
Fig 20: Remote Air Conditioning System Wiring Diagram (20 Of 22)
G09100426Courtesy of © TOYOTA, LICENSE AGREEMENT TMS1002
Fig 21: Remote Air Conditioning System Wiring Diagram (21 Of 22)
G09100427Courtesy of © TOYOTA, LICENSE AGREEMENT TMS1002
Fig 22: Remote Air Conditioning System Wiring Diagram (22 Of 22)
G09100428Courtesy of © TOYOTA, LICENSE AGREEMENT TMS1002


Code See Ground Points Location
A1 : LOCATION OF CONNECTOR JOINING WIRE HARNESS AND WIRE HARNESS Front Fender Apron RH
A2
A3 : LOCATION OF CONNECTOR JOINING WIRE HARNESS AND WIRE HARNESS Front Fender Apron LH
A4
L1 : LOCATION OF CONNECTOR JOINING WIRE HARNESS AND WIRE HARNESS Instrument Panel Reinforcement
L3
R1 : LOCATION OF CONNECTOR JOINING WIRE HARNESS AND WIRE HARNESS Quarter Panel LH
S1 : LOCATION OF CONNECTOR JOINING WIRE HARNESS AND WIRE HARNESS Quarter Panel RH
a1 : LOCATION OF CONNECTOR JOINING WIRE HARNESS AND WIRE HARNESS; : LOCATION OF GROUND POINTS HV Battery Pack