LEMON Manuals: Even more car manuals for everyone
Home >> Toyota >> 2013 >> Prius Two >> Repair and Diagnosis >> External Pages >> Different variant/trim >> Section 141 (OEM System Circuits (Plug-In)) >> SRS >> Notes

Section 141 (OEM System Circuits (Plug-In)): SRS: Notes

WARNING: This page is about a different variant/trim than selected.
NOTE: When inspecting or repairing the SRS, perform service in accordance with the following precautionary instructions and the procedure.
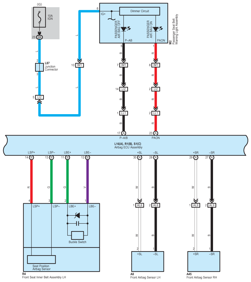
Fig 2: SRS Wiring Diagram (1 Of 7)
G09100304Courtesy of © TOYOTA, LICENSE AGREEMENT TMS1002
Fig 3: SRS Wiring Diagram (2 Of 7)
G09100305Courtesy of © TOYOTA, LICENSE AGREEMENT TMS1002
Fig 4: SRS Wiring Diagram (3 Of 7)
G09100306Courtesy of © TOYOTA, LICENSE AGREEMENT TMS1002
Fig 5: SRS Wiring Diagram (4 Of 7)
G09100307Courtesy of © TOYOTA, LICENSE AGREEMENT TMS1002
Fig 6: SRS Wiring Diagram (5 Of 7)
G09100308Courtesy of © TOYOTA, LICENSE AGREEMENT TMS1002
Fig 7: SRS Wiring Diagram (6 Of 7)
G09100309Courtesy of © TOYOTA, LICENSE AGREEMENT TMS1002
Fig 8: SRS Wiring Diagram (7 Of 7)
G09100310Courtesy of © TOYOTA, LICENSE AGREEMENT TMS1002