LEMON Manuals: Even more car manuals for everyone
Home >> Toyota >> 2013 >> Prius Two >> Repair and Diagnosis >> External Pages >> Different variant/trim >> Section 141 (OEM System Circuits (Plug-In)) >> Rear Wiper and Washer >> Notes

Rear Wiper and Washer: Notes

WARNING: This page is about a different variant/trim than selected.
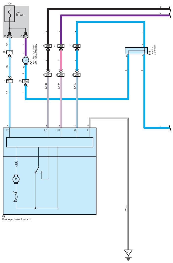
Fig 1: Rear Wiper And Washer System Wiring Diagram (1 Of 2)
G09100281Courtesy of © TOYOTA, LICENSE AGREEMENT TMS1002
Fig 2: Rear Wiper And Washer System Wiring Diagram (2 Of 2)
G09100282Courtesy of © TOYOTA, LICENSE AGREEMENT TMS1002