LEMON Manuals: Even more car manuals for everyone
Home >> Toyota >> 2013 >> Prius Two >> Repair and Diagnosis >> External Pages >> Different variant/trim >> Section 141 (OEM System Circuits (Plug-In)) >> Power Source >> Notes

Power Source: Notes

WARNING: This page is about a different variant/trim than selected.
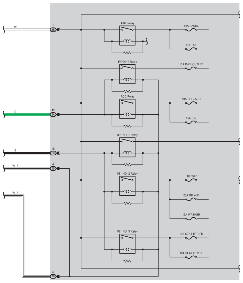
Fig 1: Power Source System Wiring Diagram (1 Of 6)
G09100130Courtesy of © TOYOTA, LICENSE AGREEMENT TMS1002
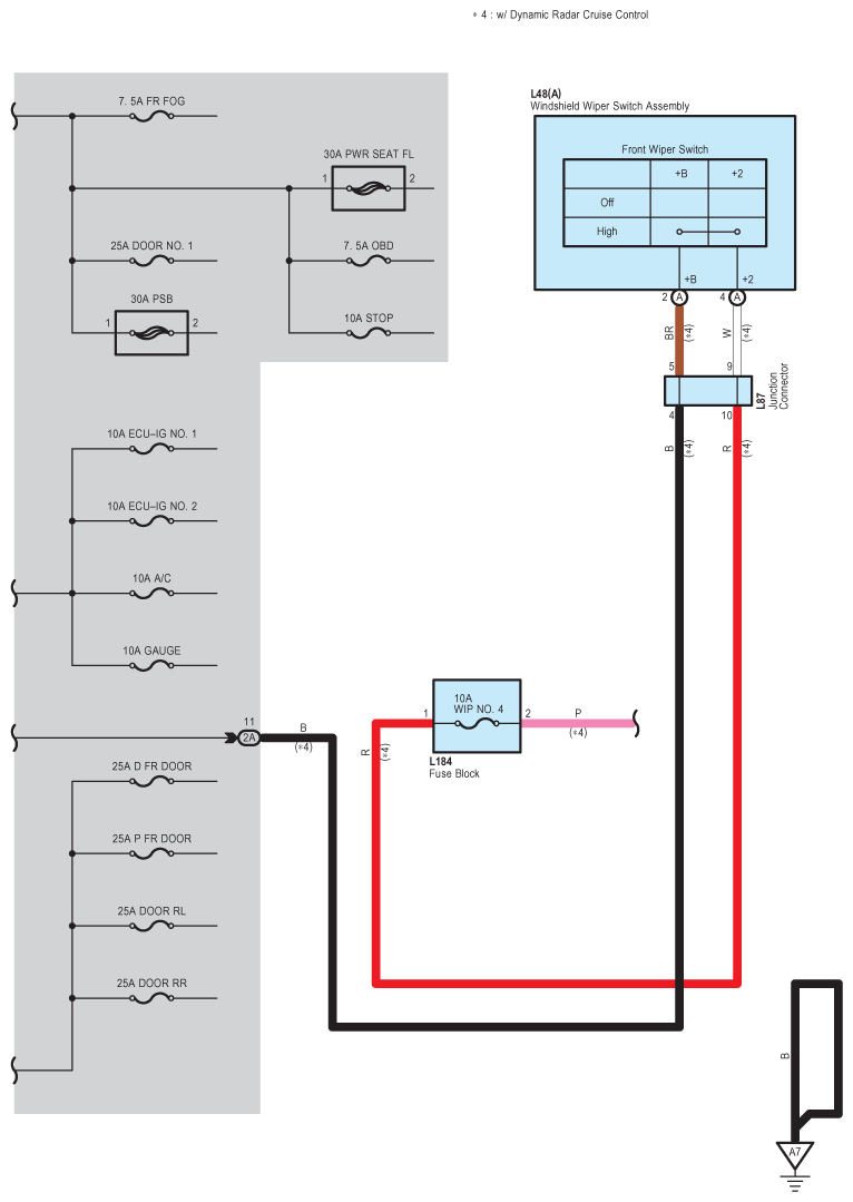
Fig 2: Power Source System Wiring Diagram (2 Of 6)
G09100131Courtesy of © TOYOTA, LICENSE AGREEMENT TMS1002
Fig 3: Power Source System Wiring Diagram (3 Of 6)
G09100132Courtesy of © TOYOTA, LICENSE AGREEMENT TMS1002
Fig 4: Power Source System Wiring Diagram (4 Of 6)
G09100133Courtesy of © TOYOTA, LICENSE AGREEMENT TMS1002
Fig 5: Power Source System Wiring Diagram (5 Of 6)
G09100134Courtesy of © TOYOTA, LICENSE AGREEMENT TMS1002
Fig 6: Power Source System Wiring Diagram (6 Of 6)
G09100135Courtesy of © TOYOTA, LICENSE AGREEMENT TMS1002