LEMON Manuals: Even more car manuals for everyone
Home >> Toyota >> 2013 >> Prius Two >> Repair and Diagnosis >> External Pages >> Different variant/trim >> Section 141 (OEM System Circuits (Plug-In)) >> Plug-in Hybrid System and Shift Control System >> Back Door Opener, Hybrid Vehicle Immobilizer System, Smart Key System, Starting and Wireless Door Lock Control

Back Door Opener, Hybrid Vehicle Immobilizer System, Smart Key System, Starting and Wireless Door Lock Control

WARNING: This page is about a different variant/trim than selected.
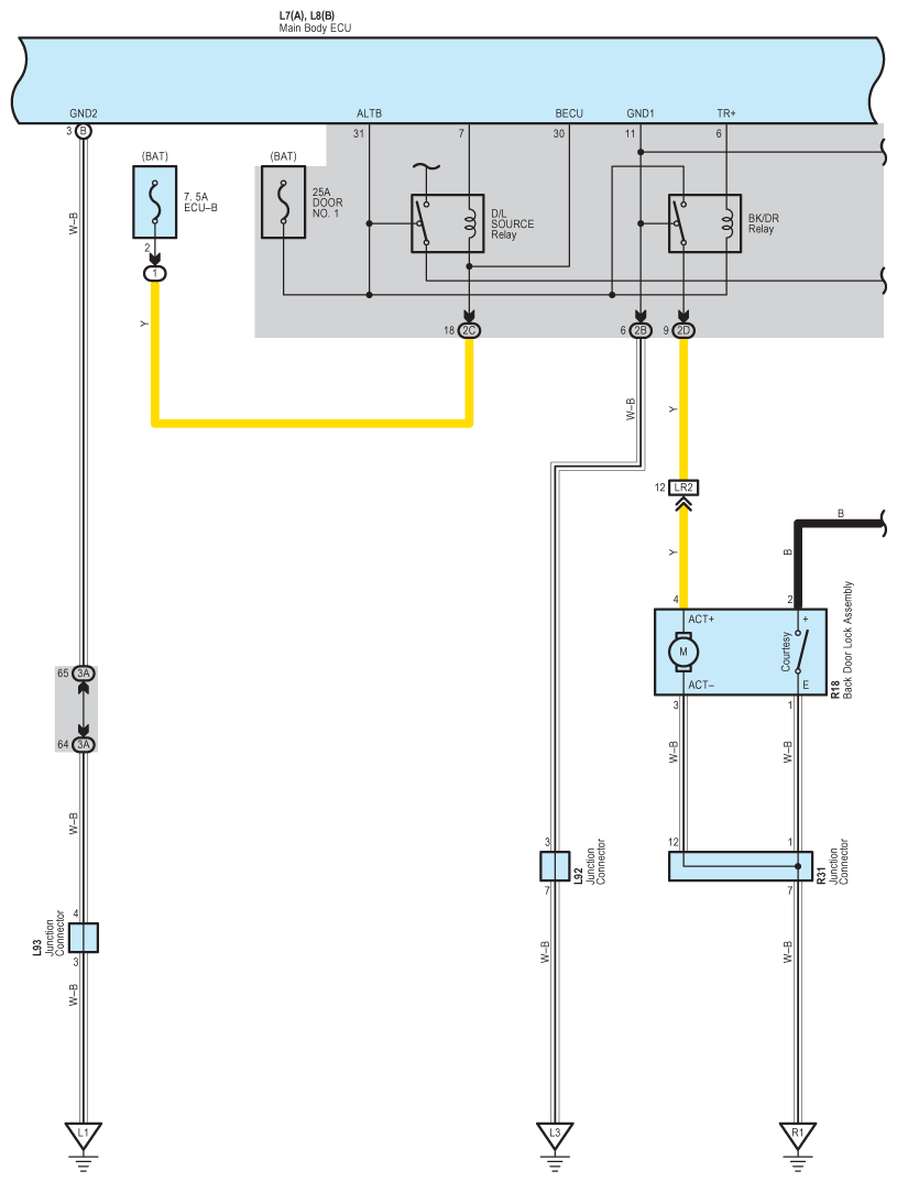
Fig 1: Back Door Opener, Hybrid Vehicle Immobilizer System, Smart Key System And Starting And Wireless Door Lock Control Wiring Diagram (1 Of 22)
G09100179Courtesy of © TOYOTA, LICENSE AGREEMENT TMS1002
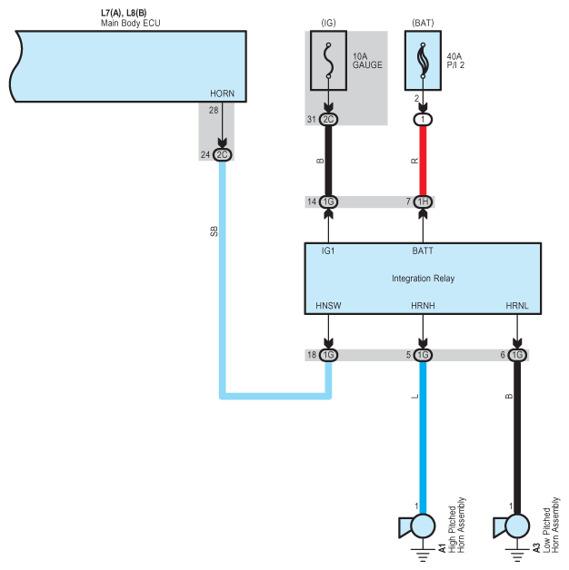
Fig 2: Back Door Opener, Hybrid Vehicle Immobilizer System, Smart Key System And Starting And Wireless Door Lock Control Wiring Diagram (2 Of 22)
G09100180Courtesy of © TOYOTA, LICENSE AGREEMENT TMS1002
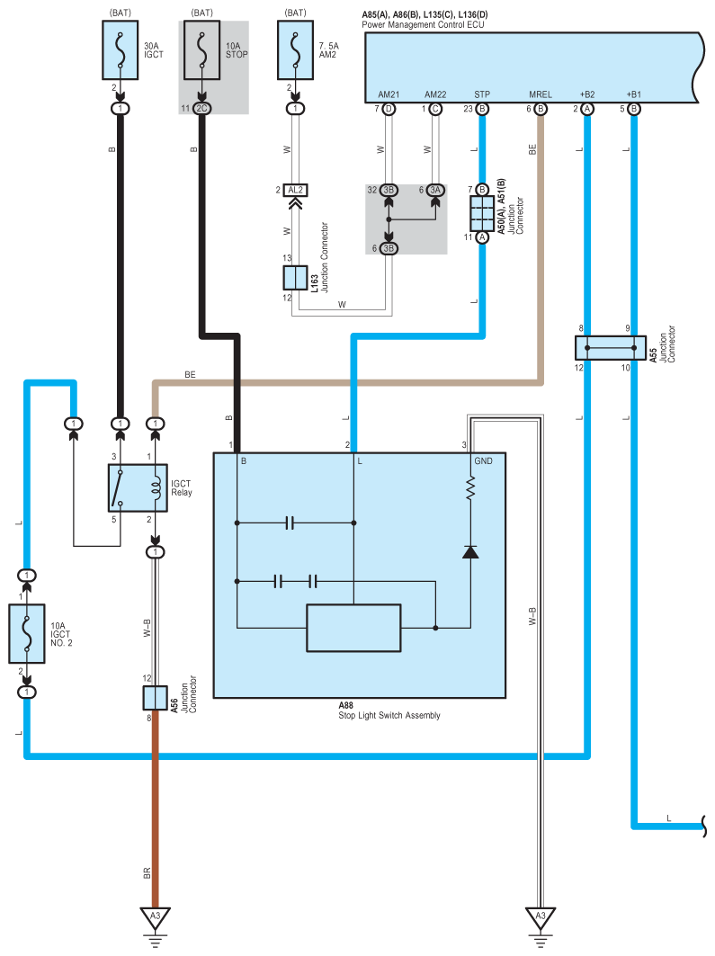
Fig 3: Back Door Opener, Hybrid Vehicle Immobilizer System, Smart Key System And Starting And Wireless Door Lock Control Wiring Diagram (3 Of 22)
G09100181Courtesy of © TOYOTA, LICENSE AGREEMENT TMS1002
Fig 4: Back Door Opener, Hybrid Vehicle Immobilizer System, Smart Key System And Starting And Wireless Door Lock Control Wiring Diagram (4 Of 22)
G09100182Courtesy of © TOYOTA, LICENSE AGREEMENT TMS1002
Fig 5: Back Door Opener, Hybrid Vehicle Immobilizer System, Smart Key System And Starting And Wireless Door Lock Control Wiring Diagram (5 Of 22)
G09100183Courtesy of © TOYOTA, LICENSE AGREEMENT TMS1002
Fig 6: Back Door Opener, Hybrid Vehicle Immobilizer System, Smart Key System And Starting And Wireless Door Lock Control Wiring Diagram (6 Of 22)
G09100184Courtesy of © TOYOTA, LICENSE AGREEMENT TMS1002
Fig 7: Back Door Opener, Hybrid Vehicle Immobilizer System, Smart Key System And Starting And Wireless Door Lock Control Wiring Diagram (7 Of 22)
G09100185Courtesy of © TOYOTA, LICENSE AGREEMENT TMS1002
Fig 8: Back Door Opener, Hybrid Vehicle Immobilizer System, Smart Key System And Starting And Wireless Door Lock Control Wiring Diagram (9 Of 22)
G09100186Courtesy of © TOYOTA, LICENSE AGREEMENT TMS1002
Fig 9: Back Door Opener, Hybrid Vehicle Immobilizer System, Smart Key System And Starting And Wireless Door Lock Control Wiring Diagram (10 Of 22)
G09100187Courtesy of © TOYOTA, LICENSE AGREEMENT TMS1002
Fig 10: Back Door Opener, Hybrid Vehicle Immobilizer System, Smart Key System And Starting And Wireless Door Lock Control Wiring Diagram (11 Of 22)
G09100188Courtesy of © TOYOTA, LICENSE AGREEMENT TMS1002
Fig 11: Back Door Opener, Hybrid Vehicle Immobilizer System, Smart Key System And Starting And Wireless Door Lock Control Wiring Diagram (12 Of 22)
G09100189Courtesy of © TOYOTA, LICENSE AGREEMENT TMS1002
Fig 12: Back Door Opener, Hybrid Vehicle Immobilizer System, Smart Key System And Starting And Wireless Door Lock Control Wiring Diagram (13 Of 22)
G09100190Courtesy of © TOYOTA, LICENSE AGREEMENT TMS1002
Fig 13: Back Door Opener, Hybrid Vehicle Immobilizer System, Smart Key System And Starting And Wireless Door Lock Control Wiring Diagram (14 Of 22)
G09100191Courtesy of © TOYOTA, LICENSE AGREEMENT TMS1002
Fig 14: Back Door Opener, Hybrid Vehicle Immobilizer System, Smart Key System And Starting And Wireless Door Lock Control Wiring Diagram (15 Of 22)
G09100192Courtesy of © TOYOTA, LICENSE AGREEMENT TMS1002
Fig 15: Back Door Opener, Hybrid Vehicle Immobilizer System, Smart Key System And Starting And Wireless Door Lock Control Wiring Diagram (16 Of 22)
G09100193Courtesy of © TOYOTA, LICENSE AGREEMENT TMS1002
Fig 16: Back Door Opener, Hybrid Vehicle Immobilizer System, Smart Key System And Starting And Wireless Door Lock Control Wiring Diagram (17 Of 22)
G09100194Courtesy of © TOYOTA, LICENSE AGREEMENT TMS1002
Fig 17: Back Door Opener, Hybrid Vehicle Immobilizer System, Smart Key System And Starting And Wireless Door Lock Control Wiring Diagram (18 Of 22)
G09100195Courtesy of © TOYOTA, LICENSE AGREEMENT TMS1002
Fig 18: Back Door Opener, Hybrid Vehicle Immobilizer System, Smart Key System And Starting And Wireless Door Lock Control Wiring Diagram (19 Of 22)
G09100196Courtesy of © TOYOTA, LICENSE AGREEMENT TMS1002
Fig 19: Back Door Opener, Hybrid Vehicle Immobilizer System, Smart Key System And Starting And Wireless Door Lock Control Wiring Diagram (20 Of 22)
G09100197Courtesy of © TOYOTA, LICENSE AGREEMENT TMS1002
Fig 20: Back Door Opener, Hybrid Vehicle Immobilizer System, Smart Key System And Starting And Wireless Door Lock Control Wiring Diagram (21 Of 22)
G09100198Courtesy of © TOYOTA, LICENSE AGREEMENT TMS1002
Fig 21: Back Door Opener, Hybrid Vehicle Immobilizer System, Smart Key System And Starting And Wireless Door Lock Control Wiring Diagram (22 Of 22)
G09100199Courtesy of © TOYOTA, LICENSE AGREEMENT TMS1002
Fig 22: Back Door Opener, Hybrid Vehicle Immobilizer System, Smart Key System And Starting And Wireless Door Lock Control Wiring Diagram (22 Of 22)
G09100200Courtesy of © TOYOTA, LICENSE AGREEMENT TMS1002