LEMON Manuals: Even more car manuals for everyone
Home >> Toyota >> 2013 >> Prius Two >> Repair and Diagnosis >> External Pages >> Different variant/trim >> Section 141 (OEM System Circuits (Plug-In)) >> EPS >> Notes

Section 141 (OEM System Circuits (Plug-In)): EPS: Notes

WARNING: This page is about a different variant/trim than selected.
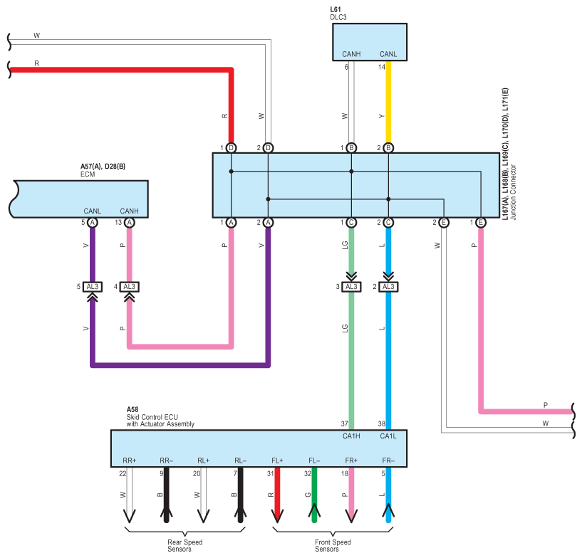
Fig 1: EPS Wiring Diagram (1 Of 4)
G09100326Courtesy of © TOYOTA, LICENSE AGREEMENT TMS1002
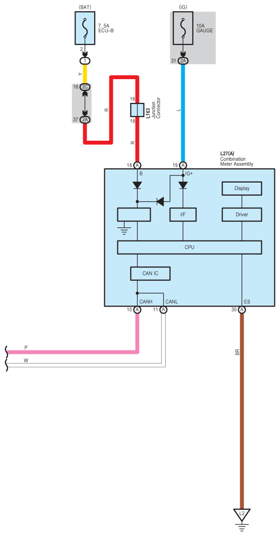
Fig 2: EPS Wiring Diagram (2 Of 4)
G09100327Courtesy of © TOYOTA, LICENSE AGREEMENT TMS1002
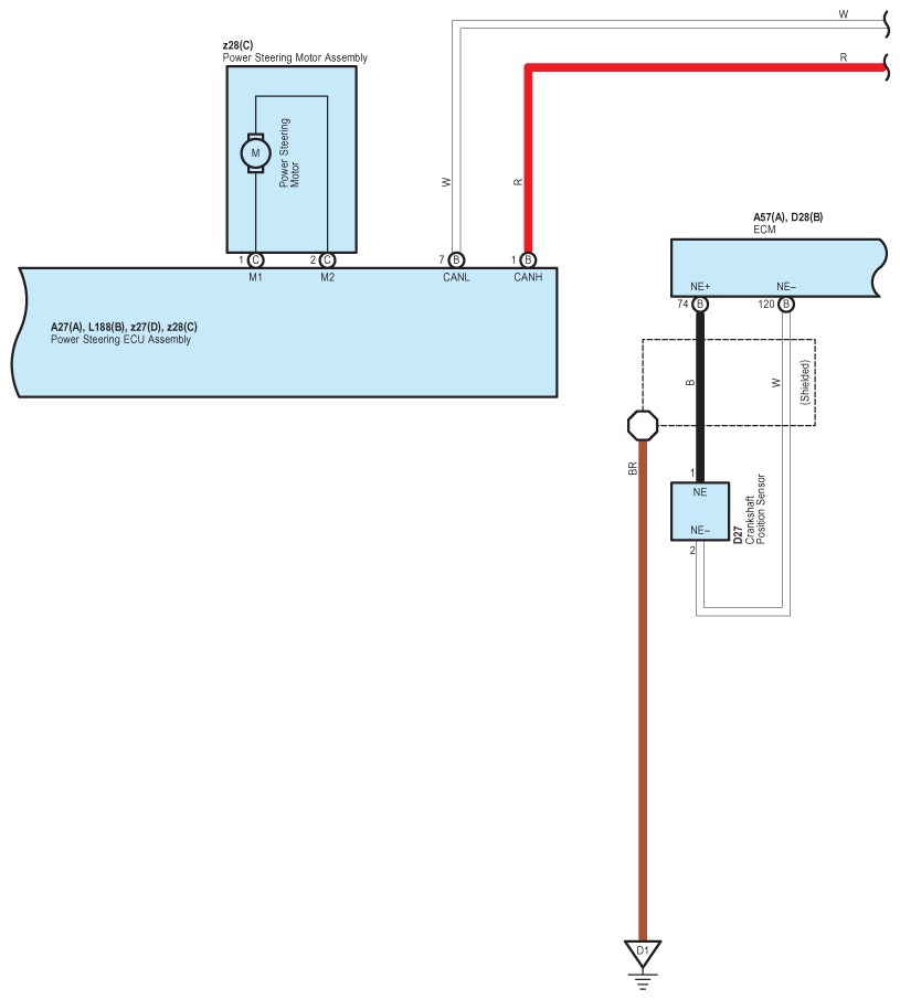
Fig 3: EPS Wiring Diagram (3 Of 4)
G09100328Courtesy of © TOYOTA, LICENSE AGREEMENT TMS1002
Fig 4: EPS Wiring Diagram (4 Of 4)
G09100329Courtesy of © TOYOTA, LICENSE AGREEMENT TMS1002