LEMON Manuals: Even more car manuals for everyone
Home >> Toyota >> 2013 >> Prius Two >> Repair and Diagnosis >> External Pages >> Different variant/trim >> Section 141 (OEM System Circuits (Plug-In)) >> Door Lock Control >> Notes

Door Lock Control: Notes

WARNING: This page is about a different variant/trim than selected.
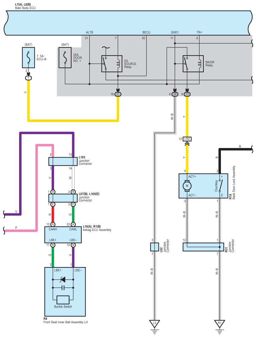
Fig 1: Door Lock Control System Wiring Diagram (1 Of 8)
G09100287Courtesy of © TOYOTA, LICENSE AGREEMENT TMS1002
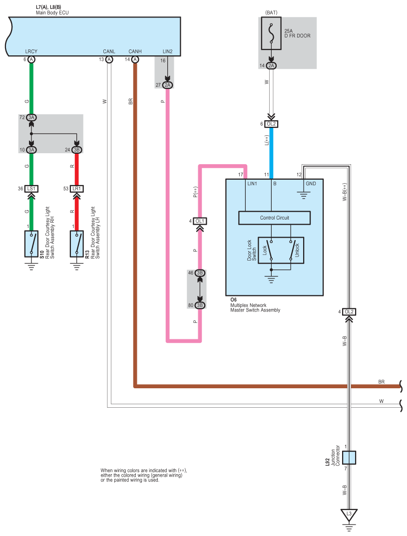
Fig 2: Door Lock Control System Wiring Diagram (2 Of 8)
G09100288Courtesy of © TOYOTA, LICENSE AGREEMENT TMS1002
Fig 3: Door Lock Control System Wiring Diagram (3 Of 8)
G09100289Courtesy of © TOYOTA, LICENSE AGREEMENT TMS1002
Fig 4: Door Lock Control System Wiring Diagram (4 Of 8)
G09100290Courtesy of © TOYOTA, LICENSE AGREEMENT TMS1002
Fig 5: Door Lock Control System Wiring Diagram (5 Of 8)
G09100291Courtesy of © TOYOTA, LICENSE AGREEMENT TMS1002
Fig 6: Door Lock Control System Wiring Diagram (6 Of 8)
G09100292Courtesy of © TOYOTA, LICENSE AGREEMENT TMS1002
Fig 7: Door Lock Control System Wiring Diagram (7 Of 8)
G09100293Courtesy of © TOYOTA, LICENSE AGREEMENT TMS1002
Fig 8: Door Lock Control System Wiring Diagram (8 Of 8)
G09100294Courtesy of © TOYOTA, LICENSE AGREEMENT TMS1002