LEMON Manuals: Even more car manuals for everyone
Home >> Toyota >> 2013 >> Prius Three >> Repair and Diagnosis >> External Pages >> Different variant/trim >> Section 141 (OEM System Circuits (Plug-In)) >> Cruise Control, Dynamic Radar Cruise Control, Engine Control and Fuel Lid Opener >> Notes

Cruise Control, Dynamic Radar Cruise Control, Engine Control and Fuel Lid Opener: Notes

WARNING: This page is about a different variant/trim than selected.
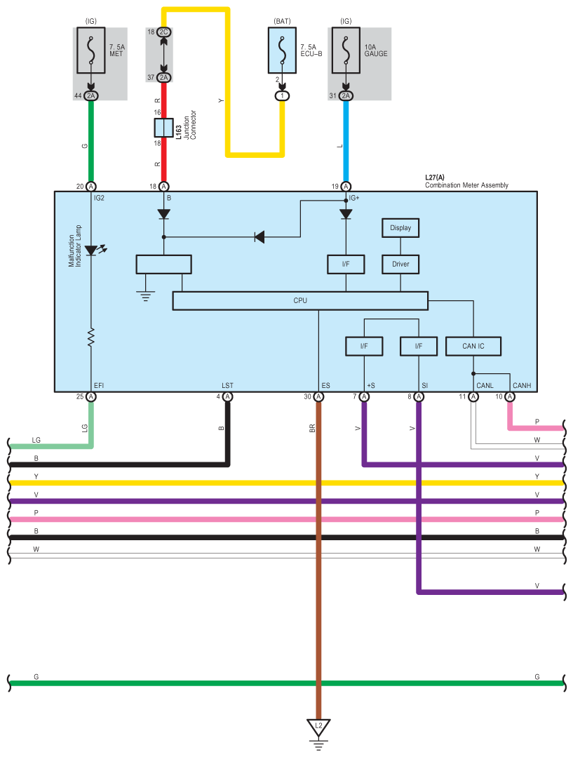
Fig 1: Cruise Control, Dynamic Radar Cruise Control And Engine Control And Fuel Lid Opener Wiring Diagram (1 Of 33)
G09100201Courtesy of © TOYOTA, LICENSE AGREEMENT TMS1002
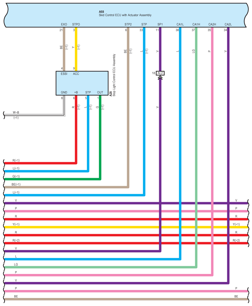
Fig 2: Cruise Control, Dynamic Radar Cruise Control And Engine Control And Fuel Lid Opener Wiring Diagram (2 Of 33)
G09100202Courtesy of © TOYOTA, LICENSE AGREEMENT TMS1002
Fig 3: Cruise Control, Dynamic Radar Cruise Control And Engine Control And Fuel Lid Opener Wiring Diagram (3 Of 33)
G09100203Courtesy of © TOYOTA, LICENSE AGREEMENT TMS1002
Fig 4: Cruise Control, Dynamic Radar Cruise Control And Engine Control And Fuel Lid Opener Wiring Diagram (4 Of 33)
G09100204Courtesy of © TOYOTA, LICENSE AGREEMENT TMS1002
Fig 5: Cruise Control, Dynamic Radar Cruise Control And Engine Control And Fuel Lid Opener Wiring Diagram (5 Of 33)
G09100205Courtesy of © TOYOTA, LICENSE AGREEMENT TMS1002
Fig 6: Cruise Control, Dynamic Radar Cruise Control And Engine Control And Fuel Lid Opener Wiring Diagram (6 Of 33)
G09100206Courtesy of © TOYOTA, LICENSE AGREEMENT TMS1002
Fig 7: Cruise Control, Dynamic Radar Cruise Control And Engine Control And Fuel Lid Opener Wiring Diagram (7 Of 33)
G09100207Courtesy of © TOYOTA, LICENSE AGREEMENT TMS1002
Fig 8: Cruise Control, Dynamic Radar Cruise Control And Engine Control And Fuel Lid Opener Wiring Diagram (8 Of 33)
G09100208Courtesy of © TOYOTA, LICENSE AGREEMENT TMS1002
Fig 9: Cruise Control, Dynamic Radar Cruise Control And Engine Control And Fuel Lid Opener Wiring Diagram (9 Of 33)
G09100209Courtesy of © TOYOTA, LICENSE AGREEMENT TMS1002
Fig 10: Cruise Control, Dynamic Radar Cruise Control And Engine Control And Fuel Lid Opener Wiring Diagram (10 Of 33)
G09100210Courtesy of © TOYOTA, LICENSE AGREEMENT TMS1002
Fig 11: Cruise Control, Dynamic Radar Cruise Control And Engine Control And Fuel Lid Opener Wiring Diagram (11 Of 33)
G09100211Courtesy of © TOYOTA, LICENSE AGREEMENT TMS1002
Fig 12: Cruise Control, Dynamic Radar Cruise Control And Engine Control And Fuel Lid Opener Wiring Diagram (12 Of 33)
G09100212Courtesy of © TOYOTA, LICENSE AGREEMENT TMS1002
Fig 13: Cruise Control, Dynamic Radar Cruise Control And Engine Control And Fuel Lid Opener Wiring Diagram (13 Of 33)
G09100213Courtesy of © TOYOTA, LICENSE AGREEMENT TMS1002
Fig 14: Cruise Control, Dynamic Radar Cruise Control And Engine Control And Fuel Lid Opener Wiring Diagram (14 Of 33)
G09100214Courtesy of © TOYOTA, LICENSE AGREEMENT TMS1002
Fig 15: Cruise Control, Dynamic Radar Cruise Control And Engine Control And Fuel Lid Opener Wiring Diagram (15 Of 33)
G09100215Courtesy of © TOYOTA, LICENSE AGREEMENT TMS1002
Fig 16: Cruise Control, Dynamic Radar Cruise Control And Engine Control And Fuel Lid Opener Wiring Diagram (16 Of 33)
G09100216Courtesy of © TOYOTA, LICENSE AGREEMENT TMS1002
Fig 17: Cruise Control, Dynamic Radar Cruise Control And Engine Control And Fuel Lid Opener Wiring Diagram (17 Of 33)
G09100217Courtesy of © TOYOTA, LICENSE AGREEMENT TMS1002
Fig 18: Cruise Control, Dynamic Radar Cruise Control And Engine Control And Fuel Lid Opener Wiring Diagram (18 Of 33)
G09100218Courtesy of © TOYOTA, LICENSE AGREEMENT TMS1002
Fig 19: Cruise Control, Dynamic Radar Cruise Control And Engine Control And Fuel Lid Opener Wiring Diagram (19 Of 33)
G09100219Courtesy of © TOYOTA, LICENSE AGREEMENT TMS1002
Fig 20: Cruise Control, Dynamic Radar Cruise Control And Engine Control And Fuel Lid Opener Wiring Diagram (20 Of 33)
G09100220Courtesy of © TOYOTA, LICENSE AGREEMENT TMS1002
Fig 21: Cruise Control, Dynamic Radar Cruise Control And Engine Control And Fuel Lid Opener Wiring Diagram (21 Of 33)
G09100221Courtesy of © TOYOTA, LICENSE AGREEMENT TMS1002
Fig 22: Cruise Control, Dynamic Radar Cruise Control And Engine Control And Fuel Lid Opener Wiring Diagram (22 Of 33)
G09100222Courtesy of © TOYOTA, LICENSE AGREEMENT TMS1002
Fig 23: Cruise Control, Dynamic Radar Cruise Control And Engine Control And Fuel Lid Opener Wiring Diagram (23 Of 33)
G09100223Courtesy of © TOYOTA, LICENSE AGREEMENT TMS1002
Fig 24: Cruise Control, Dynamic Radar Cruise Control And Engine Control And Fuel Lid Opener Wiring Diagram (24 Of 33)
G09100224Courtesy of © TOYOTA, LICENSE AGREEMENT TMS1002
Fig 25: Cruise Control, Dynamic Radar Cruise Control And Engine Control And Fuel Lid Opener Wiring Diagram (25 Of 33)
G09100225Courtesy of © TOYOTA, LICENSE AGREEMENT TMS1002
Fig 26: Cruise Control, Dynamic Radar Cruise Control And Engine Control And Fuel Lid Opener Wiring Diagram (26 Of 33)
G09100226Courtesy of © TOYOTA, LICENSE AGREEMENT TMS1002
Fig 27: Cruise Control, Dynamic Radar Cruise Control And Engine Control And Fuel Lid Opener Wiring Diagram (27 Of 33)
G09100227Courtesy of © TOYOTA, LICENSE AGREEMENT TMS1002
Fig 28: Cruise Control, Dynamic Radar Cruise Control And Engine Control And Fuel Lid Opener Wiring Diagram (28 Of 33)
G09100228Courtesy of © TOYOTA, LICENSE AGREEMENT TMS1002
Fig 29: Cruise Control, Dynamic Radar Cruise Control And Engine Control And Fuel Lid Opener Wiring Diagram (29 Of 33)
G09100229Courtesy of © TOYOTA, LICENSE AGREEMENT TMS1002
Fig 30: Cruise Control, Dynamic Radar Cruise Control And Engine Control And Fuel Lid Opener Wiring Diagram (30 Of 33)
G09100230Courtesy of © TOYOTA, LICENSE AGREEMENT TMS1002
Fig 31: Cruise Control, Dynamic Radar Cruise Control And Engine Control And Fuel Lid Opener Wiring Diagram (31 Of 33)
G09100231Courtesy of © TOYOTA, LICENSE AGREEMENT TMS1002
Fig 32: Cruise Control, Dynamic Radar Cruise Control And Engine Control And Fuel Lid Opener Wiring Diagram (32 Of 33)
G09100232Courtesy of © TOYOTA, LICENSE AGREEMENT TMS1002
Fig 33: Cruise Control, Dynamic Radar Cruise Control And Engine Control And Fuel Lid Opener Wiring Diagram (33 Of 33)
G09100233Courtesy of © TOYOTA, LICENSE AGREEMENT TMS1002