LEMON Manuals: Even more car manuals for everyone
Home >> Toyota >> 2013 >> Prius Plug-in >> Repair and Diagnosis >> External Pages >> Different variant/trim >> Section 37 (Hybrid Control System (Diagnostics - Introduction) (Except Plug-In)) >> Hybrid Control System >> System Diagram >> System Diagram

System Diagram

WARNING: This page is about a different variant/trim than selected.
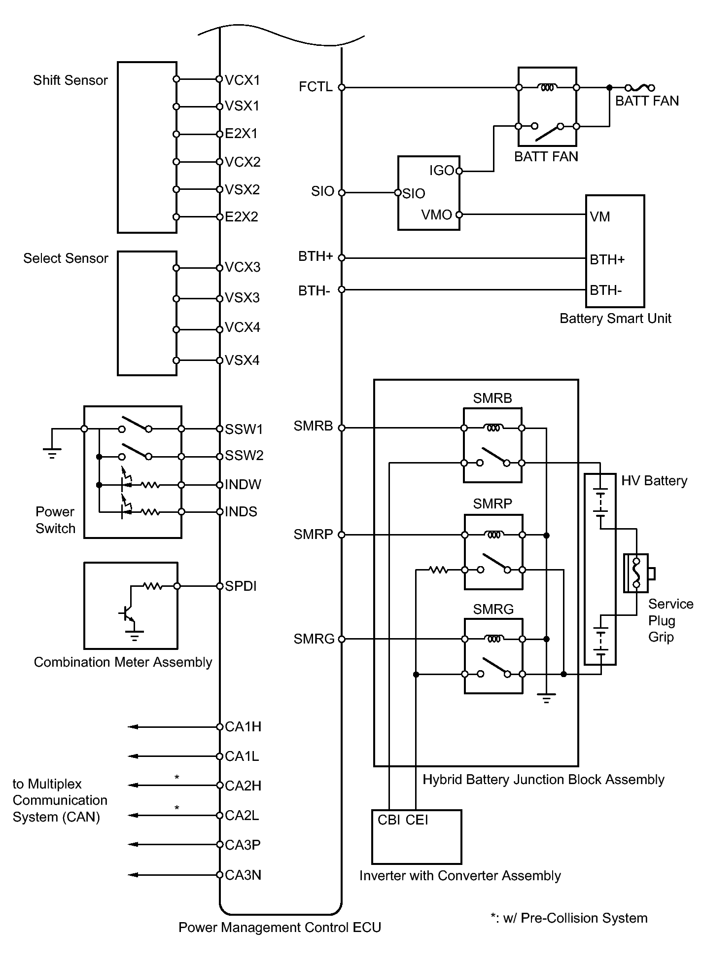
Fig 1: Identifying Hybrid Control System Wiring Diagram (1 Of 4)
GTY332712Courtesy of © TOYOTA, LICENSE AGREEMENT TMS1002
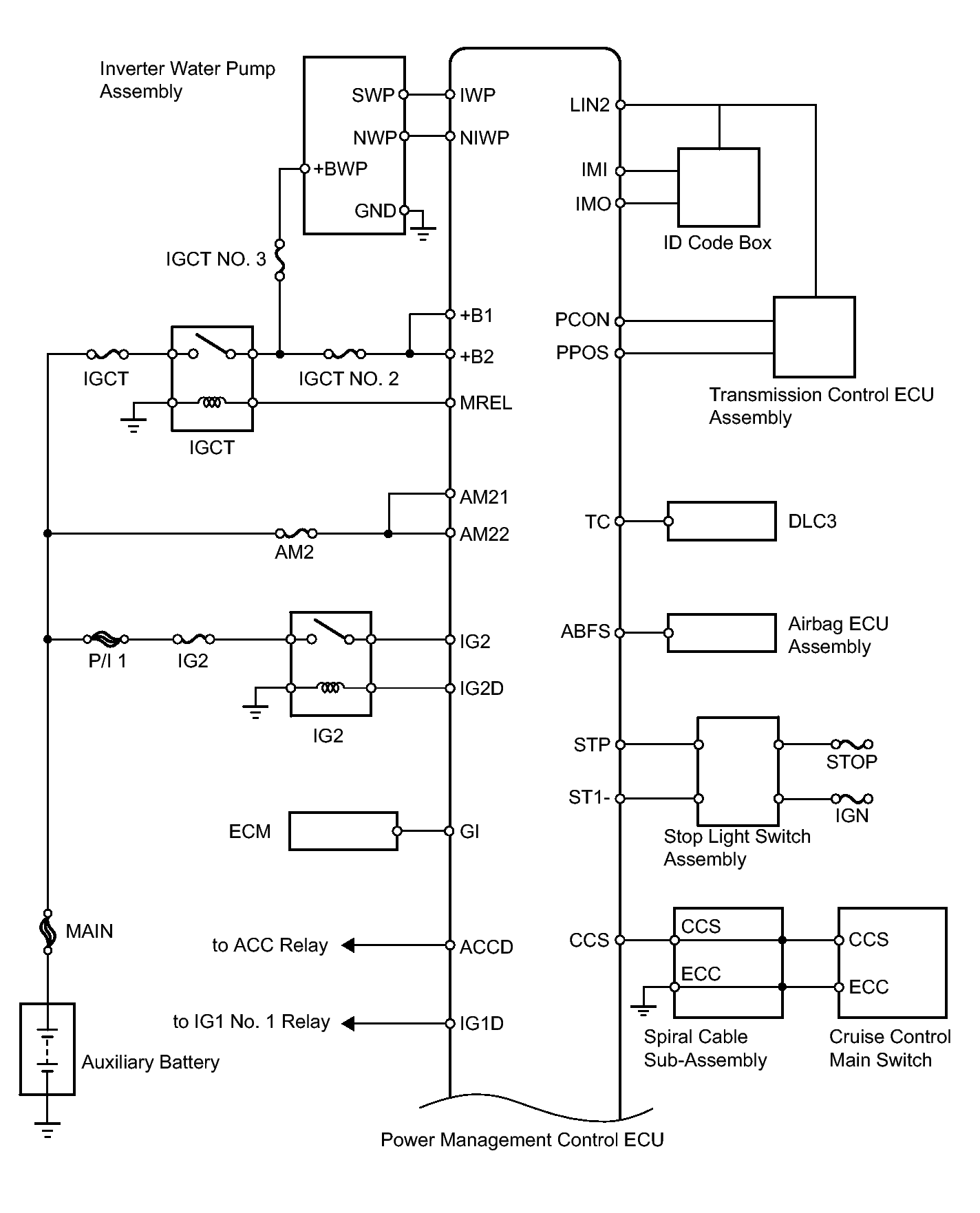
Fig 2: Identifying Hybrid Control System Wiring Diagram (2 Of 4)
GTY375360Courtesy of © TOYOTA, LICENSE AGREEMENT TMS1002
Fig 3: Identifying Hybrid Control System Wiring Diagram (3 Of 4)
GTY336427Courtesy of © TOYOTA, LICENSE AGREEMENT TMS1002
Fig 4: Identifying Hybrid Control System Wiring Diagram (4 Of 4)
GTY291704Courtesy of © TOYOTA, LICENSE AGREEMENT TMS1002