LEMON Manuals: Even more car manuals for everyone
Home >> Toyota >> 2013 >> Prius Plug-in >> Repair and Diagnosis >> External Pages >> Different variant/trim >> Section 138 (Solar Ventilation System (Diagnostics & Circuit Tests) (Except Plug-In)) >> Solar Ventilation System >> Circuit Tests >> Blower Motor Circuit >> Procedure

Blower Motor Circuit: Procedure

WARNING: This page is about a different variant/trim than selected.
  1. PERFORM ACTIVE TEST USING TECHSTREAM 
    1. Connect the Techstream to the DLC3.
    2. Turn the power switch on (IG).
    3. Turn the Techstream on.
    4. Enter the following menus: Body Electrical / Air Conditioner / Active Test.
    5. Check the operation by referring to the table below.
      AIR CONDITIONER

      Tester Display Test Part Control Range Diagnostic Note
      Blower Motor Blower motor Min.: 0, Max.: 31 -

      OK

      Blower motor operates and blower motor speed level changes.

    NG → See step   10 

    OK: Go to next step 

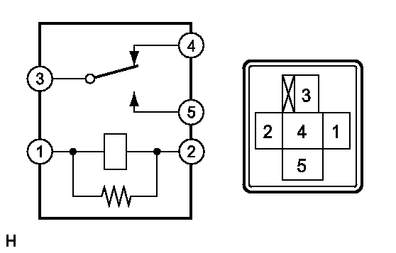
  2. INSPECT SOLAR VENTILATION RELAY 
    1. Remove the solar ventilation relay.
      Fig 1: Inspecting Solar Ventilation Relay
      GTY229006Courtesy of © TOYOTA, LICENSE AGREEMENT TMS1002
    2. Measure the resistance according to the value(s) in the table below.

      Standard Resistance

      Tester Connection Specified Condition
      3 - 5 10 kΩ or higher
      3 - 4 Below 1 Ω
      3 - 5 Below 1 Ω
      (when battery voltage is applied to terminals 1 and 2)
      3 - 4 10 kΩ or higher
      (when battery voltage is applied to terminals 1 and 2)

    NG → REPLACE SOLAR VENTILATION RELAY 

    OK: Go to next step 

  3. INSPECT SOLAR VENTILATION ECU 
    1. Disconnect the solar ventilation relay connector.
      Fig 2: Inspecting Solar Ventilation ECU Connector
      GTY229903Courtesy of © TOYOTA, LICENSE AGREEMENT TMS1002
    2. Measure the voltage according to the value(s) in the table below.

      Standard Voltage

      Tester Connection Condition Specified Condition
      L104-4 - Body ground Power switch off
      Solar ventilation switch off
      Below 1 V
      L104-4 - Body ground Power switch off
      Solar ventilation switch on
      (System operation conditions reference table met. Refer to SYSTEM DESCRIPTION )
      1 to 28 V
      TEXT IN ILLUSTRATION

      *1 Front view of wire harness connector
      (to Solar Ventilation Relay)

    NG → See step   7 

    OK: Go to next step 

  4. CHECK HARNESS AND CONNECTOR (SOLAR VENTILATION ECU - BLOWER MOTOR) 
    1. Disconnect the solar ventilation ECU connector.
      Fig 3: Identifying Solar Ventilation ECU Connector
      GTY228639Courtesy of © TOYOTA, LICENSE AGREEMENT TMS1002
    2. Disconnect the blower motor connector.
      Fig 4: Identifying Blower Motor Connector
      GTY232680Courtesy of © TOYOTA, LICENSE AGREEMENT TMS1002
    3. Measure the resistance according to the value(s) in the table below.

      Standard Resistance

      Tester Connection Condition Specified Condition
      L22-5 (BLW) - L33-2 (SI) Always Below 1 Ω
      L22-5 (BLW) - Body ground Always 10 kΩ or higher
      TEXT IN ILLUSTRATION

      *1 Front view of wire harness connector
      (to Solar Ventilation ECU)
      *2 Front view of wire harness connector
      (to Blower Motor)

    NG → REPAIR OR REPLACE HARNESS OR CONNECTOR 

    OK: Go to next step 

  5. INSPECT SOLAR VENTILATION ECU 
    1. Reinstall the solar ventilation relay.
    2. Reconnect the solar ventilation relay connector.
    3. Reconnect the blower motor connector.
    4. Reconnect the solar ventilation ECU connector.
    5. Measure the waveform between terminal L22-5 (BLW) of the solar ventilation ECU and body ground.
      Fig 5: Identifying Solar Ventilation ECU Connector & Waveform Graph
      GTY228954Courtesy of © TOYOTA, LICENSE AGREEMENT TMS1002
      Item Content
      Tool setting 1 V/DIV., 500 μs/DIV.
      Vehicle condition Power switch off
      Solar ventilation switch on (blower motor operating)

      OK

      Waveform is as shown in the illustration.

      HINT: 

      The waveform varies with the blower speed.

      TEXT IN ILLUSTRATION

      *1 Component with harness connected
      (Solar Ventilation ECU)

    NG → See step   6 

    OK → See step   8 

  6. REPLACE BLOWER MOTOR 
    1. Replace the blower motor with a known good one and check if the same problem occurs again. Refer to REMOVAL .

      OK

      Same problem does not occur.

    NG → See step   9 

    OK → END (BLOWER MOTOR WAS DEFECTIVE) 

  7. CHECK HARNESS AND CONNECTOR (SOLAR VENTILATION ECU - SOLAR VENTILATION RELAY) 
    1. Disconnect the solar ventilation ECU connector.
      Fig 6: Identifying Solar Ventilation ECU Connector
      GTY228638Courtesy of © TOYOTA, LICENSE AGREEMENT TMS1002
    2. Measure the resistance according to the value(s) in the table below.
      Fig 7: Identifying L104 Connector
      GTY217785Courtesy of © TOYOTA, LICENSE AGREEMENT TMS1002

      Standard Resistance

      Tester Connection Condition Specified Condition
      L22-12 (BLWB) - L104-4 Always Below 1 Ω
      L22-12 (BLWB) - Body ground Always 10 kΩ or higher
      TEXT IN ILLUSTRATION

      *1 Front view of wire harness connector
      (to Solar Ventilation ECU)
      *2 Front view of wire harness connector
      (to Solar Ventilation Relay)

    NG → REPAIR OR REPLACE HARNESS OR CONNECTOR 

    OK → See step   9 

  8. PROCEED TO NEXT SUSPECTED AREA SHOWN IN PROBLEM SYMPTOMS TABLE. Refer to  PROBLEM SYMPTOMS TABLE  
  9. REPLACE SOLAR VENTILATION ECU. Refer to  REMOVAL 
  10. GO TO AIR CONDITIONING SYSTEM (BLOWER MOTOR CIRCUIT). Refer to  Blower Motor Circuit