LEMON Manuals: Even more car manuals for everyone
Home >> Toyota >> 2013 >> Prius Plug-in >> Repair and Diagnosis >> External Pages >> Different variant/trim >> Section 129 (Lighting System (Diagnostic Codes & Circuit Tests) (Except Plug-In)) >> Lighting System >> Circuit Tests >> Taillight Relay Circuit >> Wiring Diagram

Taillight Relay Circuit: Wiring Diagram

WARNING: This page is about a different variant/trim than selected.
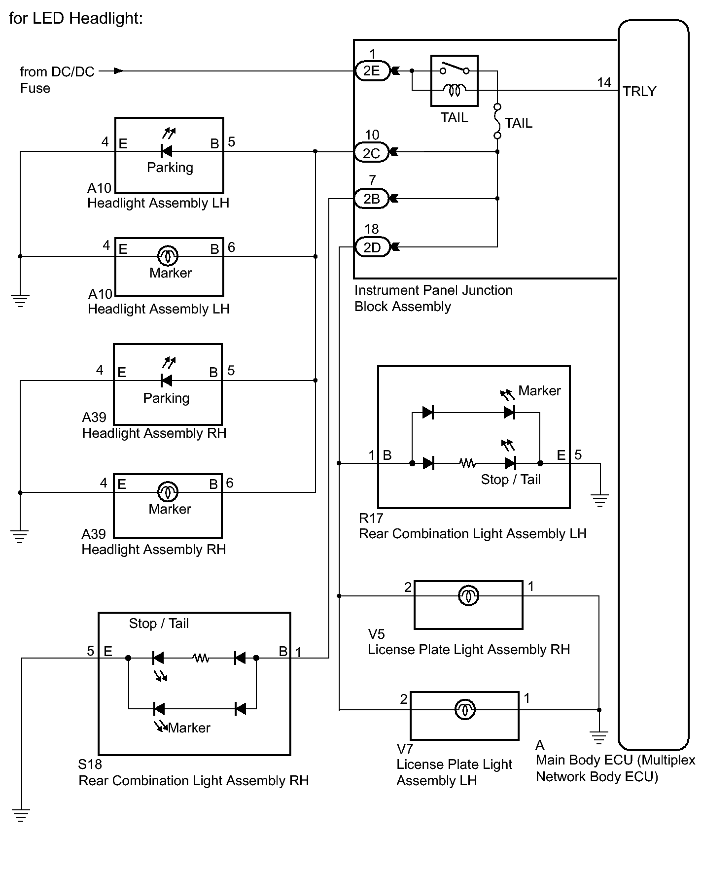
Fig 1: Identifying Taillight Relay Circuit Wiring Diagram (1 Of 2)
GTY324670Courtesy of © TOYOTA, LICENSE AGREEMENT TMS1002
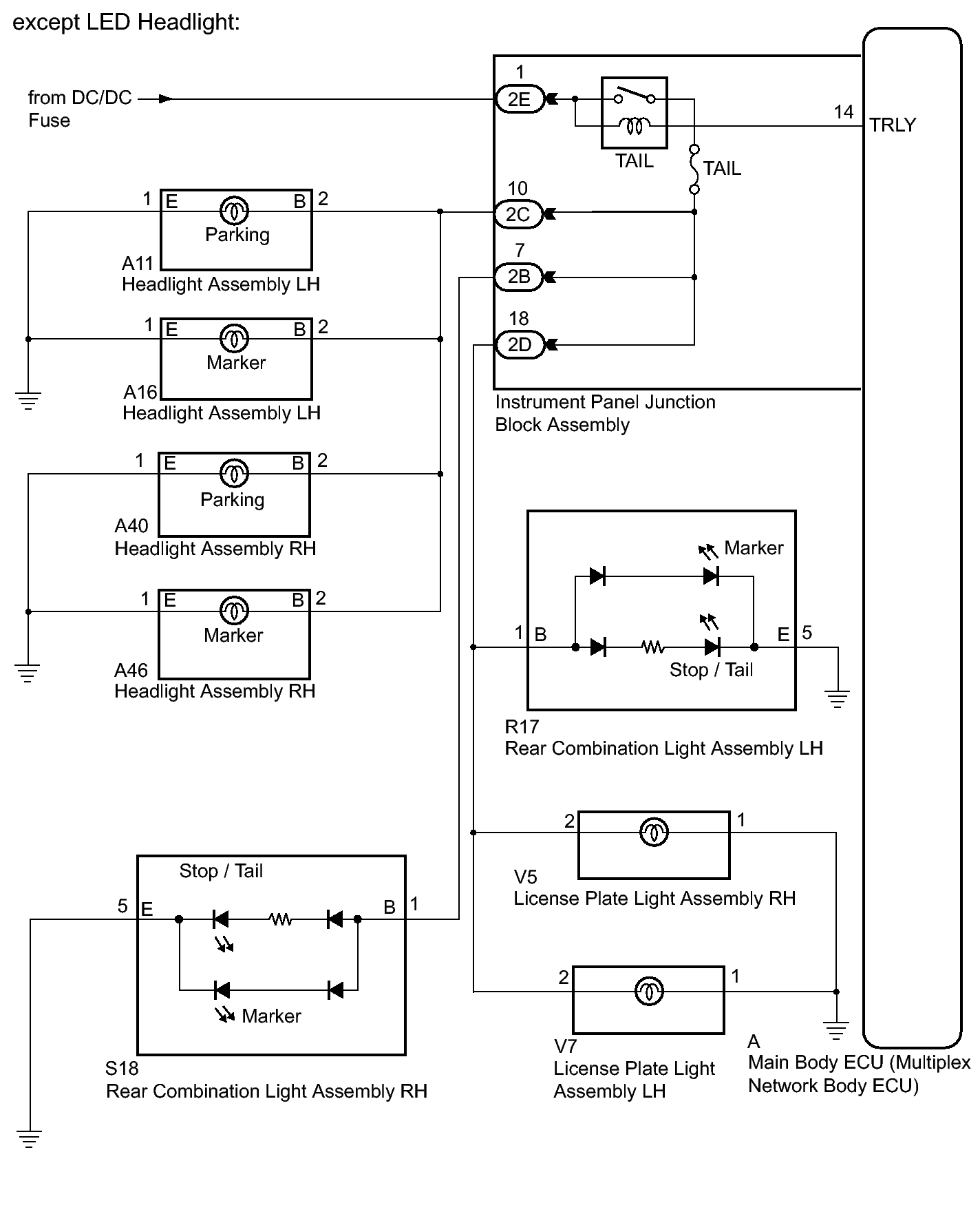
Fig 2: Identifying Taillight Relay Circuit Wiring Diagram (2 Of 2)
GTY325701Courtesy of © TOYOTA, LICENSE AGREEMENT TMS1002