LEMON Manuals: Even more car manuals for everyone
Home >> Toyota >> 2013 >> Prius Plug-in >> Repair and Diagnosis >> External Pages >> Different variant/trim >> Section 120 (Smart Key System (For Start Function) (Diagnostic Codes & Symptom Tests) (Except Plug-In)) >> SMART KEY SYSTEM (for Start Function) >> DTC B2271: Ignition Hold Monitor Malfunction >> Wiring Diagram

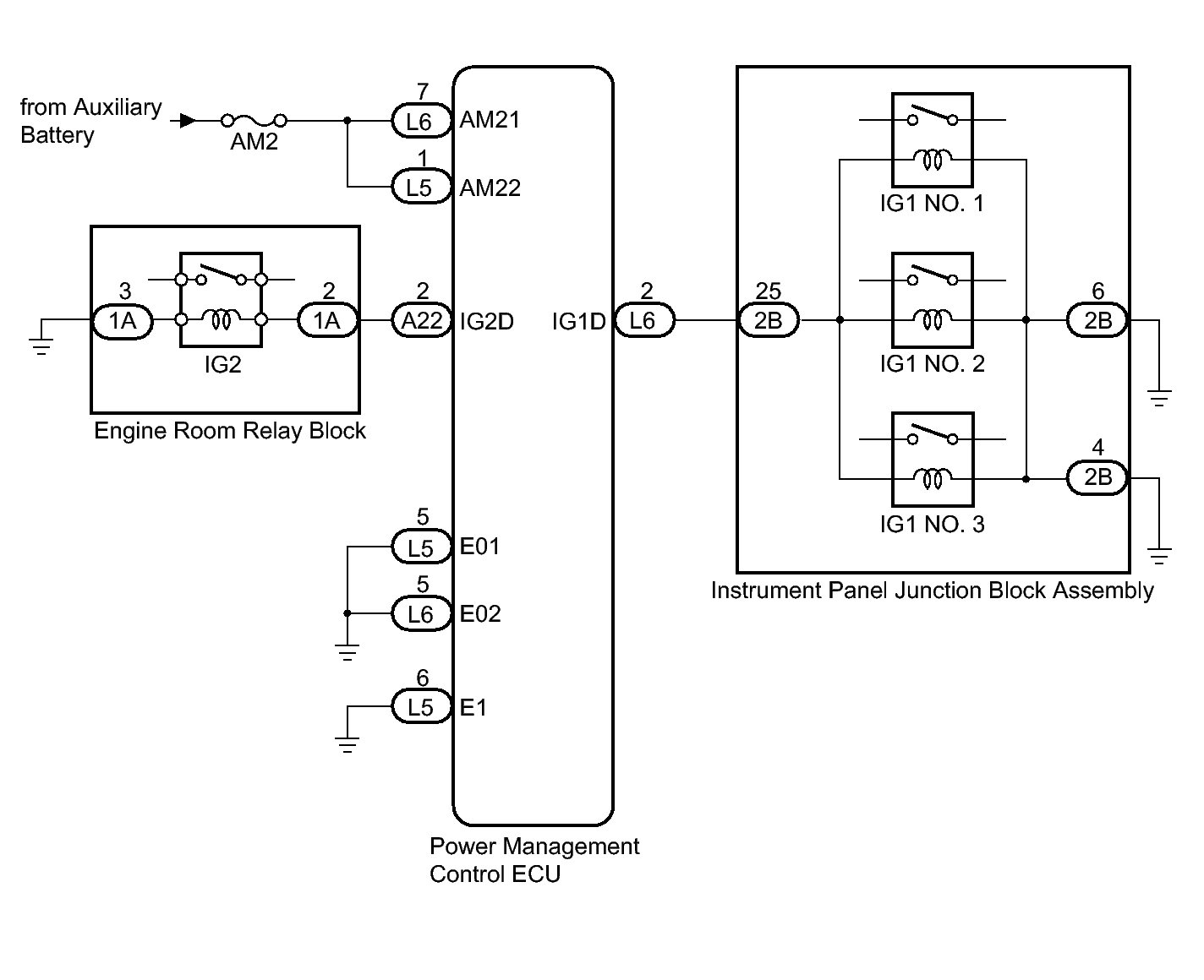
DTC B2271: Ignition Hold Monitor Malfunction: Wiring Diagram

WARNING: This page is about a different variant/trim than selected.
Fig 1: Ignition Hold Monitor Wiring Diagram
GTY364782Courtesy of © TOYOTA, LICENSE AGREEMENT TMS1002