LEMON Manuals: Even more car manuals for everyone
Home >> Toyota >> 2013 >> Prius Four >> Repair and Diagnosis >> External Pages >> Different variant/trim >> Section 130 (Front Power Seat Control System (Inspection) (Plug-In)) >> Front Power Seat Control System >> System Diagram >> System Diagram

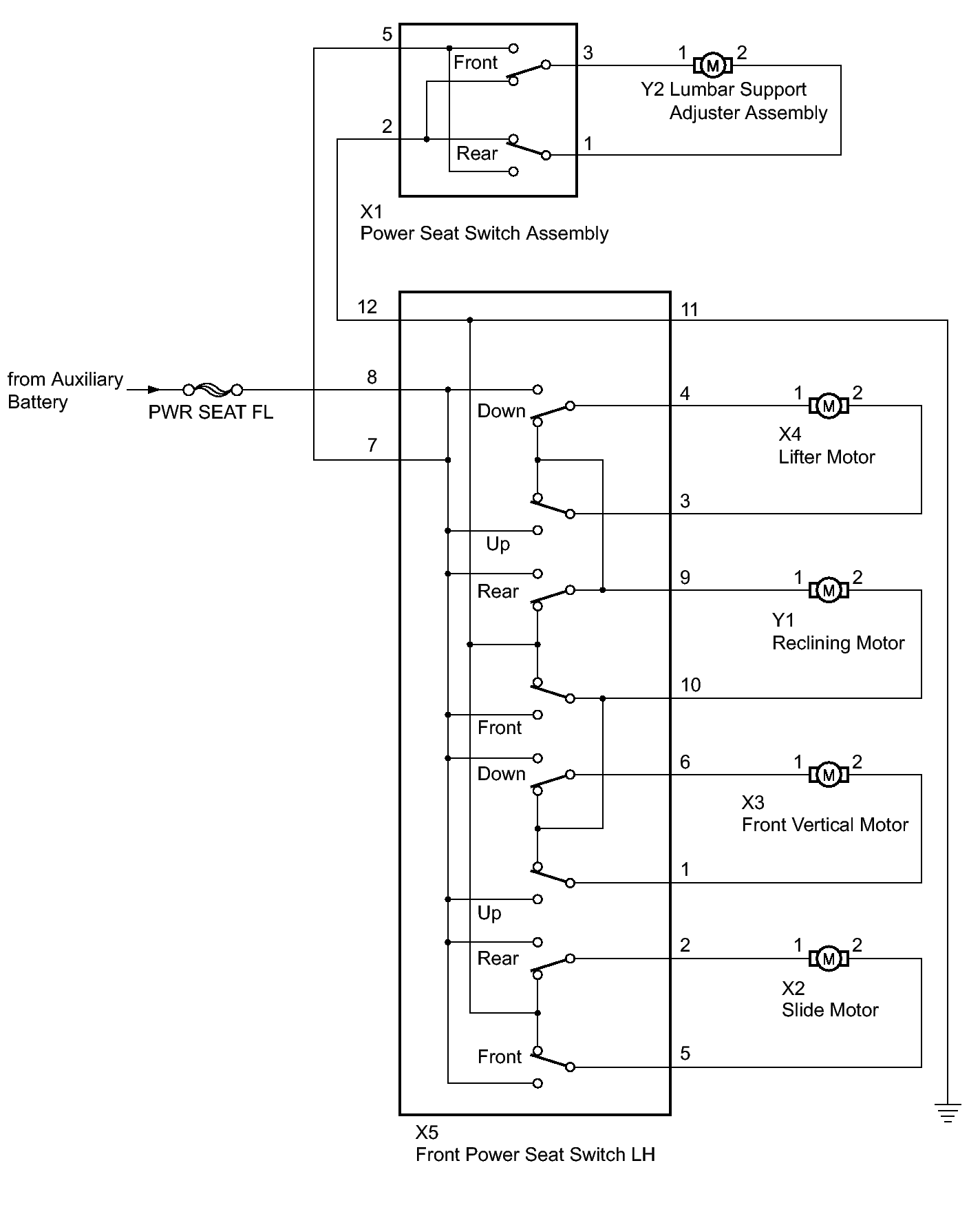
System Diagram

WARNING: This page is about a different variant/trim than selected.
Fig 1: Identifying Front Power Seat Control System Circuit Diagram
GTY330983Courtesy of © TOYOTA, LICENSE AGREEMENT TMS1002