LEMON Manuals: Even more car manuals for everyone
Home >> Toyota >> 2013 >> Matrix Base, Automatic Trans >> Repair and Diagnosis >> External Pages >> Different variant/trim >> Section 1 (Engine Control System (2AZ-FE) (Diagnostics - Introduction)) >> SFI System >> System Diagram >> System Diagram

System Diagram

WARNING: This page is about a different variant/trim than selected.
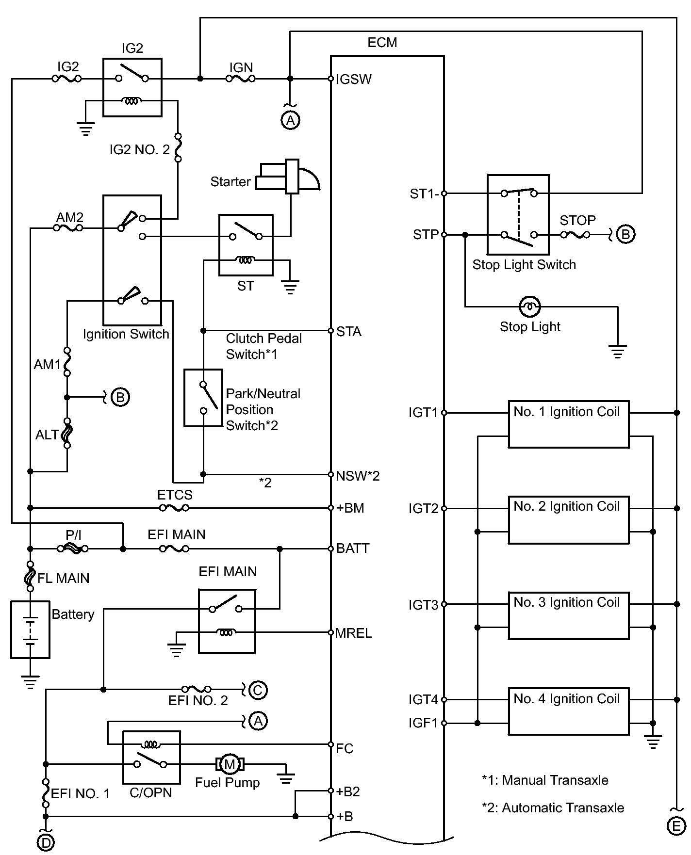
Fig 1: SFI System Circuit Diagram (1 Of 3)
GTY380504Courtesy of © TOYOTA, LICENSE AGREEMENT TMS1002
Fig 2: SFI System Circuit Diagram (2 Of 3)
GTY367881Courtesy of © TOYOTA, LICENSE AGREEMENT TMS1002
Fig 3: SFI System Circuit Diagram (3 Of 3)
GTY381226Courtesy of © TOYOTA, LICENSE AGREEMENT TMS1002