LEMON Manuals: Even more car manuals for everyone
Home >> Toyota >> 2013 >> Matrix Base, Automatic Trans >> Repair and Diagnosis >> Electrical >> Body Electrical >> OEM System Circuits >> Tire Pressure Warning System >> Notes

Tire Pressure Warning System: Notes

Fig 1: Tire Pressure Warning System Wiring Diagram (1 Of 2)
G09105942Courtesy of © TOYOTA, LICENSE AGREEMENT TMS1002
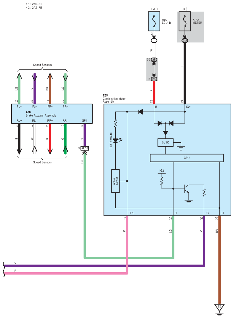
Fig 2: Tire Pressure Warning System Wiring Diagram (2 Of 2)
G09105943Courtesy of © TOYOTA, LICENSE AGREEMENT TMS1002