LEMON Manuals: Even more car manuals for everyone
Home >> Toyota >> 2013 >> Matrix Base, Automatic Trans >> Repair and Diagnosis >> Electrical >> Body Electrical >> OEM System Circuits >> Power Window >> Notes

Power Window: Notes

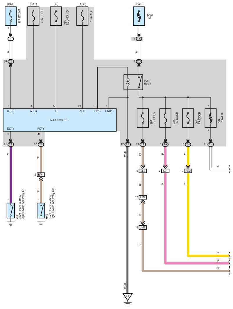
Fig 1: Power Window Wiring Diagram (1 Of 3)
G09105884Courtesy of © TOYOTA, LICENSE AGREEMENT TMS1002
Fig 2: Power Window Wiring Diagram (1 Of 3)
G09105885Courtesy of © TOYOTA, LICENSE AGREEMENT TMS1002
Fig 3: Power Window Wiring Diagram (1 Of 3)
G09105886Courtesy of © TOYOTA, LICENSE AGREEMENT TMS1002