LEMON Manuals: Even more car manuals for everyone
Home >> Toyota >> 2013 >> Matrix Base, Automatic Trans >> Repair and Diagnosis >> Electrical >> Body Electrical >> OEM System Circuits >> Electronically Controlled Transmission and A/T Indicator (2AZ-FE) >> Notes

Electronically Controlled Transmission and A/T Indicator (2AZ-FE): Notes

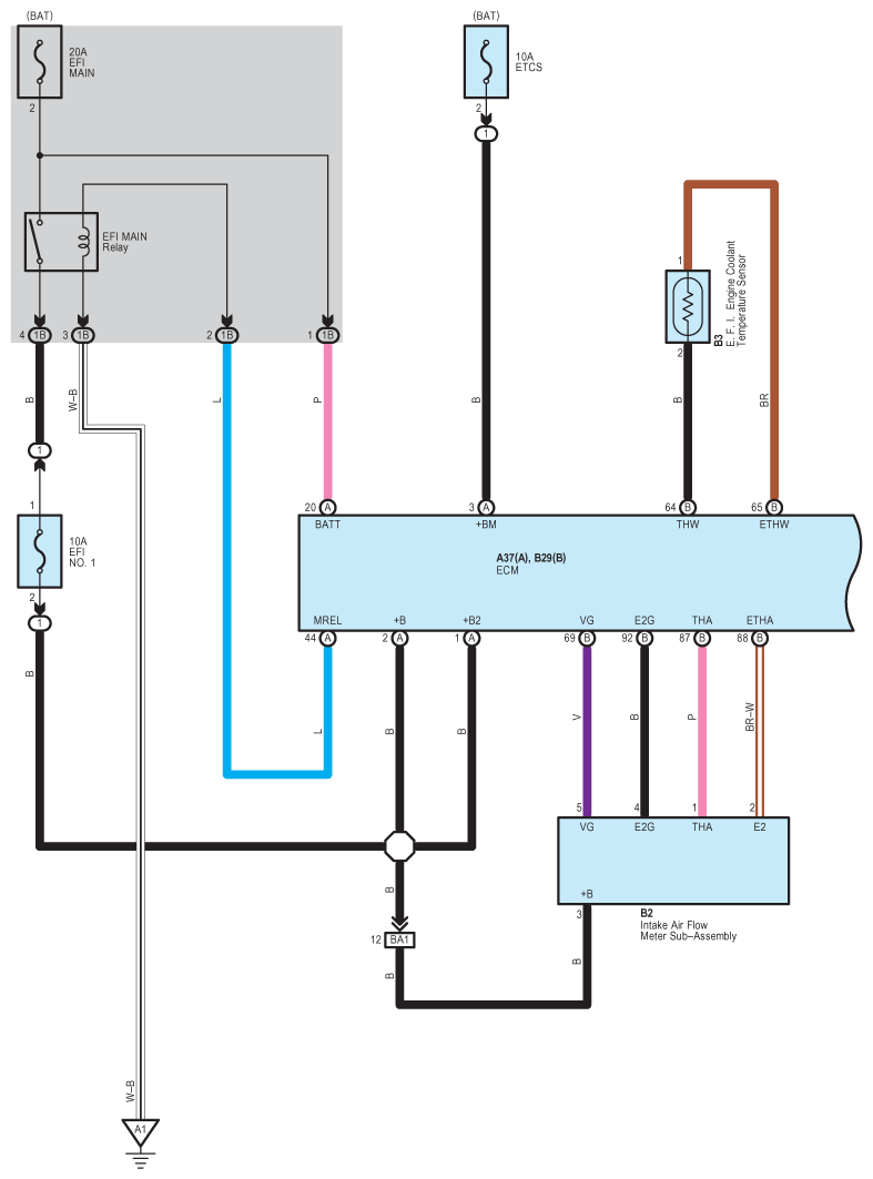
Fig 1: Electronically Controlled Transmission And A/T Indicator Wiring Diagram (2AZ-FE) (1 Of 6)
G09105897Courtesy of © TOYOTA, LICENSE AGREEMENT TMS1002
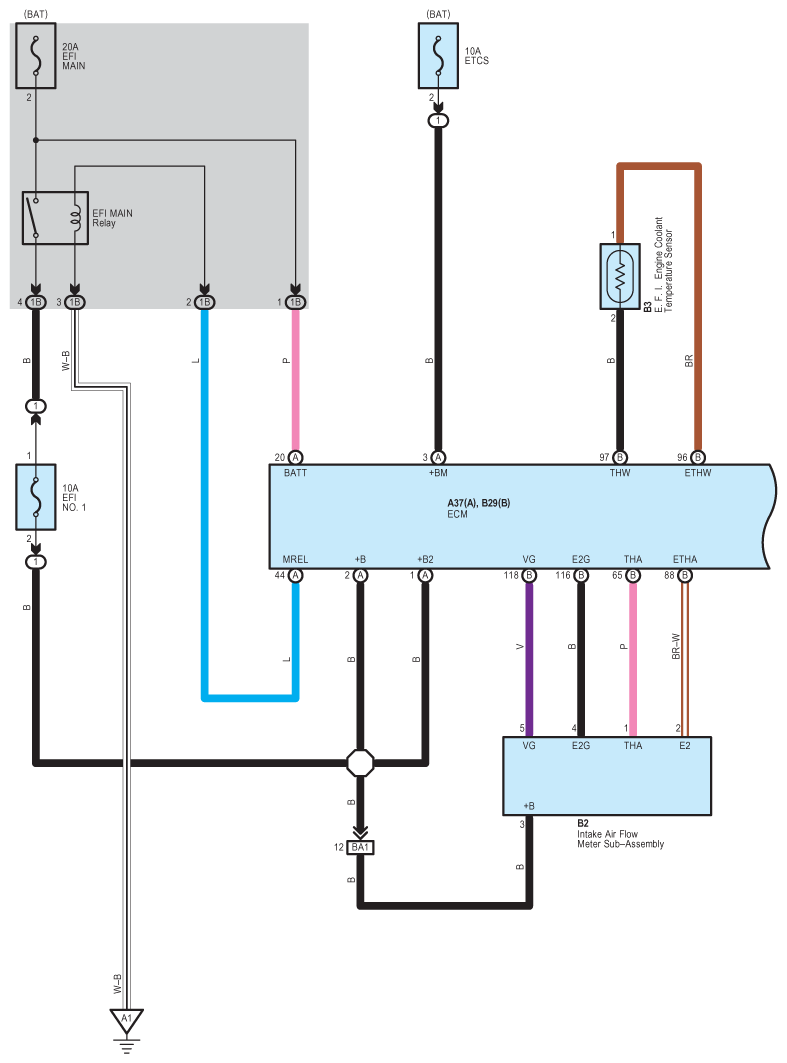
Fig 2: Electronically Controlled Transmission And A/T Indicator Wiring Diagram (2AZ-FE) (2 Of 6)
G09105898Courtesy of © TOYOTA, LICENSE AGREEMENT TMS1002
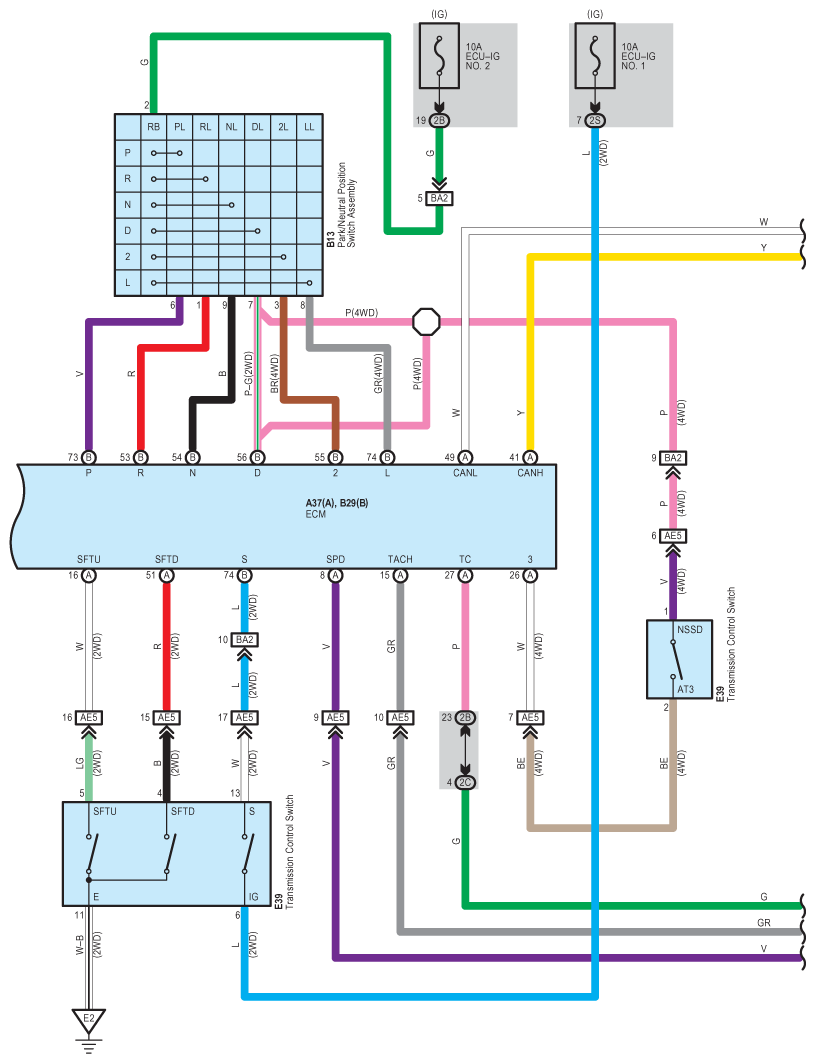
Fig 3: Electronically Controlled Transmission And A/T Indicator Wiring Diagram (2AZ-FE) (3 Of 6)
G09105899Courtesy of © TOYOTA, LICENSE AGREEMENT TMS1002
Fig 4: Electronically Controlled Transmission And A/T Indicator Wiring Diagram (2AZ-FE) (4 Of 6)
G09105900Courtesy of © TOYOTA, LICENSE AGREEMENT TMS1002
Fig 5: Electronically Controlled Transmission And A/T Indicator Wiring Diagram (2AZ-FE) (5 Of 6)
G09105901Courtesy of © TOYOTA, LICENSE AGREEMENT TMS1002
Fig 6: Electronically Controlled Transmission And A/T Indicator Wiring Diagram (2AZ-FE) (6 Of 6)
G09105902Courtesy of © TOYOTA, LICENSE AGREEMENT TMS1002


Fig 1: Electronically Controlled Transmission And A/T Indicator Wiring Diagram (2AZ-FE) (1 Of 6)
G09105903Courtesy of © TOYOTA, LICENSE AGREEMENT TMS1002
Fig 2: Electronically Controlled Transmission And A/T Indicator Wiring Diagram (2AZ-FE) (2 Of 6)
G09105904Courtesy of © TOYOTA, LICENSE AGREEMENT TMS1002
Fig 3: Electronically Controlled Transmission And A/T Indicator Wiring Diagram (2AZ-FE) (3 Of 6)
G09105905Courtesy of © TOYOTA, LICENSE AGREEMENT TMS1002
Fig 4: Electronically Controlled Transmission And A/T Indicator Wiring Diagram (2AZ-FE) (4 Of 6)
G09105906Courtesy of © TOYOTA, LICENSE AGREEMENT TMS1002
Fig 5: Electronically Controlled Transmission And A/T Indicator Wiring Diagram (2AZ-FE) (5 Of 6)
G09105907Courtesy of © TOYOTA, LICENSE AGREEMENT TMS1002
Fig 6: Electronically Controlled Transmission And A/T Indicator Wiring Diagram (2AZ-FE) (6 Of 6)
G09105908Courtesy of © TOYOTA, LICENSE AGREEMENT TMS1002