LEMON Manuals: Even more car manuals for everyone
Home >> Toyota >> 2013 >> Matrix Base, Automatic Trans >> Repair and Diagnosis >> Electrical >> Body Electrical >> OEM System Circuits >> Charging >> Notes

OEM System Circuits: Charging: Notes

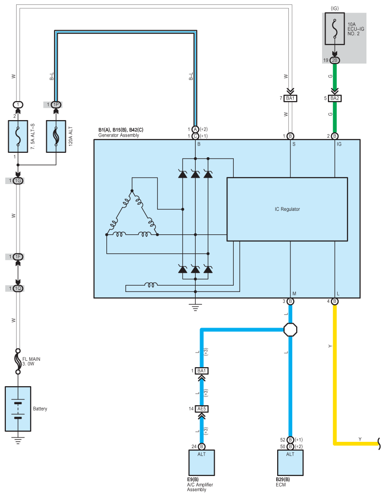
Fig 1: Charging Wiring Diagram (1 Of 2)
G09105837Courtesy of © TOYOTA, LICENSE AGREEMENT TMS1002
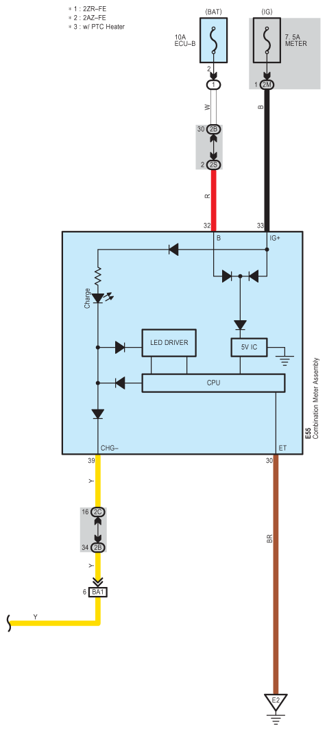
Fig 2: Charging Wiring Diagram (2 Of 2)
G09105838Courtesy of © TOYOTA, LICENSE AGREEMENT TMS1002