LEMON Manuals: Even more car manuals for everyone
Home >> Toyota >> 2013 >> Matrix Base, Automatic Trans >> Repair and Diagnosis >> Electrical >> Body Electrical >> OEM System Circuits >> Audio System >> Notes

Audio System: Notes

Fig 1: Audio System Wiring Diagram (1 Of 5)
G09105963Courtesy of © TOYOTA, LICENSE AGREEMENT TMS1002
Fig 2: Audio System Wiring Diagram (2 Of 5)
G09105964Courtesy of © TOYOTA, LICENSE AGREEMENT TMS1002
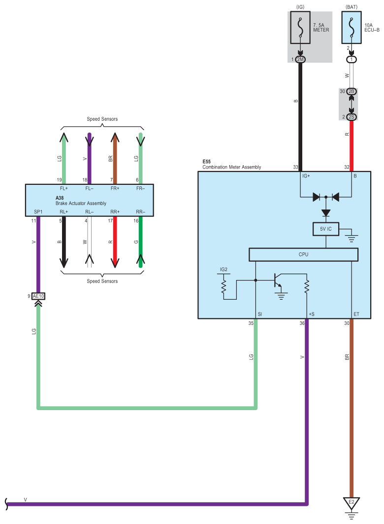
Fig 3: Audio System Wiring Diagram (3 Of 5)
G09105965Courtesy of © TOYOTA, LICENSE AGREEMENT TMS1002
Fig 4: Audio System Wiring Diagram (4 Of 5)
G09105966Courtesy of © TOYOTA, LICENSE AGREEMENT TMS1002
Fig 5: Audio System Wiring Diagram (5 Of 5)
G09105967Courtesy of © TOYOTA, LICENSE AGREEMENT TMS1002