LEMON Manuals: Even more car manuals for everyone
Home >> Toyota >> 2013 >> Matrix Base, Automatic Trans >> Repair and Diagnosis >> Electrical >> Body Electrical >> OEM System Circuits >> ABS, TRAC and VSC >> Notes

ABS, TRAC and VSC: Notes

Fig 1: ABS, TRAC And VSC Wiring Diagram (1 Of 6)
G09105922Courtesy of © TOYOTA, LICENSE AGREEMENT TMS1002
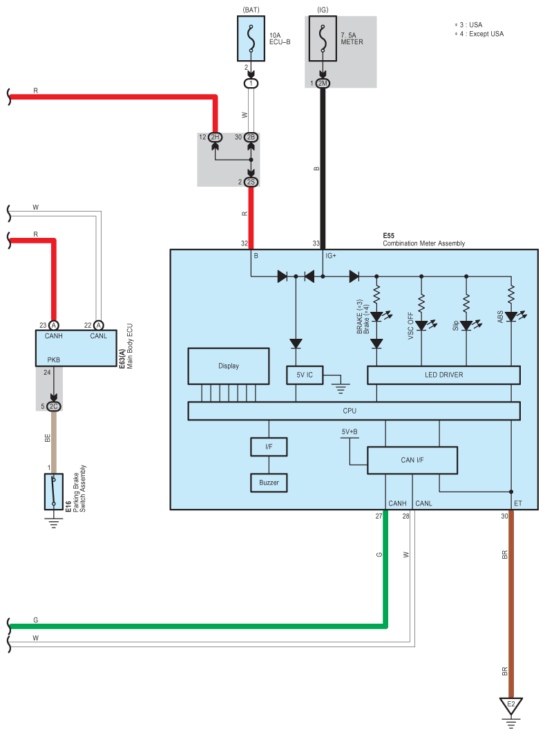
Fig 2: ABS, TRAC And VSC Wiring Diagram (2 Of 6)
G09105923Courtesy of © TOYOTA, LICENSE AGREEMENT TMS1002
Fig 3: ABS, TRAC And VSC Wiring Diagram (3 Of 6)
G09105924Courtesy of © TOYOTA, LICENSE AGREEMENT TMS1002
Fig 4: ABS, TRAC And VSC Wiring Diagram (4 Of 6)
G09105925Courtesy of © TOYOTA, LICENSE AGREEMENT TMS1002
Fig 5: ABS, TRAC And VSC Wiring Diagram (5 Of 6)
G09105926Courtesy of © TOYOTA, LICENSE AGREEMENT TMS1002
Fig 6: ABS, TRAC And VSC Wiring Diagram (6 Of 6)
G09105927Courtesy of © TOYOTA, LICENSE AGREEMENT TMS1002