LEMON Manuals: Even more car manuals for everyone
Home >> Toyota >> 2013 >> Matrix Base, Automatic Trans >> Repair and Diagnosis >> Electrical >> Body Electrical >> OEM System Circuits >> 4WD >> Notes

OEM System Circuits: 4WD: Notes

Fig 1: 4WD Wiring Diagram (1 Of 5)
G09105934Courtesy of © TOYOTA, LICENSE AGREEMENT TMS1002
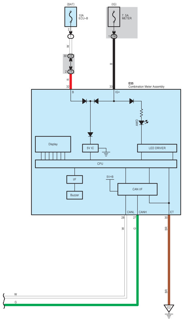
Fig 2: 4WD Wiring Diagram (1 Of 5)
G09105935Courtesy of © TOYOTA, LICENSE AGREEMENT TMS1002
Fig 3: 4WD Wiring Diagram (1 Of 5)
G09105936Courtesy of © TOYOTA, LICENSE AGREEMENT TMS1002
Fig 4: 4WD Wiring Diagram (1 Of 5)
G09105937Courtesy of © TOYOTA, LICENSE AGREEMENT TMS1002
Fig 5: 4WD Wiring Diagram (1 Of 5)
G09105938Courtesy of © TOYOTA, LICENSE AGREEMENT TMS1002