LEMON Manuals: Even more car manuals for everyone
Home >> Toyota >> 2013 >> Matrix Base, Automatic Trans >> Repair and Diagnosis (Single Page) >> Steering >> Manual Steering >> Power Steering System (Diagnostic Codes & Circuit Tests) >> Power Steering System >> Circuit Tests >> EPS Warning Light Circuit >> Wiring Diagram

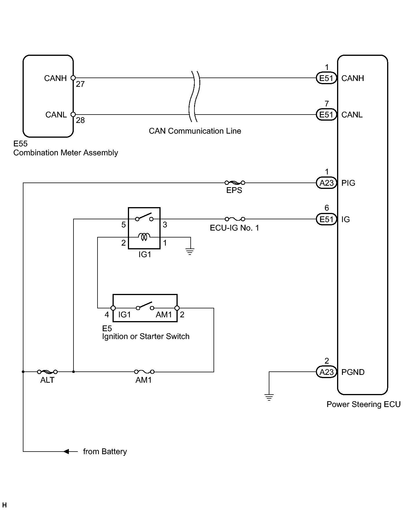
EPS Warning Light Circuit: Wiring Diagram

Fig 1: EPS Warning Light Wiring Diagram
GTY292139Courtesy of © TOYOTA, LICENSE AGREEMENT TMS1002