LEMON Manuals: Even more car manuals for everyone
Home >> Toyota >> 2013 >> Matrix Base, Automatic Trans >> Repair and Diagnosis (Single Page) >> Electrical >> Fuses & Circuit Breakers >> OEM Junction Block, Ecu & Fuse/Relay Locations >> Junction Block Fuse, Relay & Circuit Identification >> Driver Side Junction Block Assembly Inner Circuit

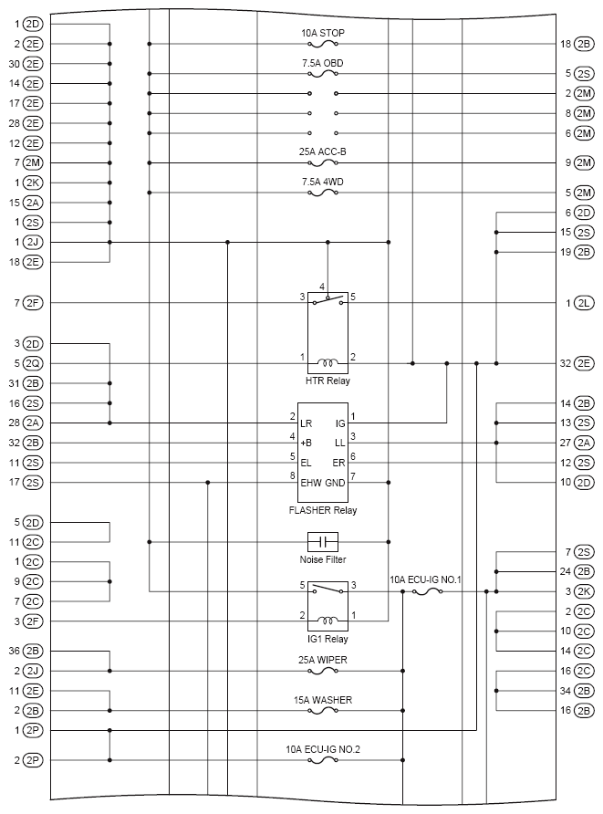
Driver Side Junction Block Assembly Inner Circuit

Fig 1: Driver Side J/B Relay Assembly Circuit (1 Of 4)
G09105807Courtesy of © TOYOTA, LICENSE AGREEMENT TMS1002
Driver Side J/B Circuit Relay Identification

RELAY DESCRIPTION
T-LP Relay
PWR Relay
Fig 2: Driver Side J/B Relay Assembly Circuit (2 Of 4)
G09105808Courtesy of © TOYOTA, LICENSE AGREEMENT TMS1002
Fig 3: Driver Side J/B Relay Assembly Circuit (3 Of 4)
G09105809Courtesy of © TOYOTA, LICENSE AGREEMENT TMS1002
Driver Side J/B Circuit Relay Identification

RELAY DESCRIPTION
C/OPN Relay
Fig 4: Driver Side J/B Relay Assembly Circuit (4 Of 4)
G09105810Courtesy of © TOYOTA, LICENSE AGREEMENT TMS1002