LEMON Manuals: Even more car manuals for everyone
Home >> Toyota >> 2012 >> Prius Two >> Repair and Diagnosis >> Engine Performance >> System >> Engine Control System (Except Plug-In) (Diagnostic Codes (P0010-P043F)) >> SFI System >> DTC P0403: Exhaust Gas Recirculation Control Circuit >> Wiring Diagram

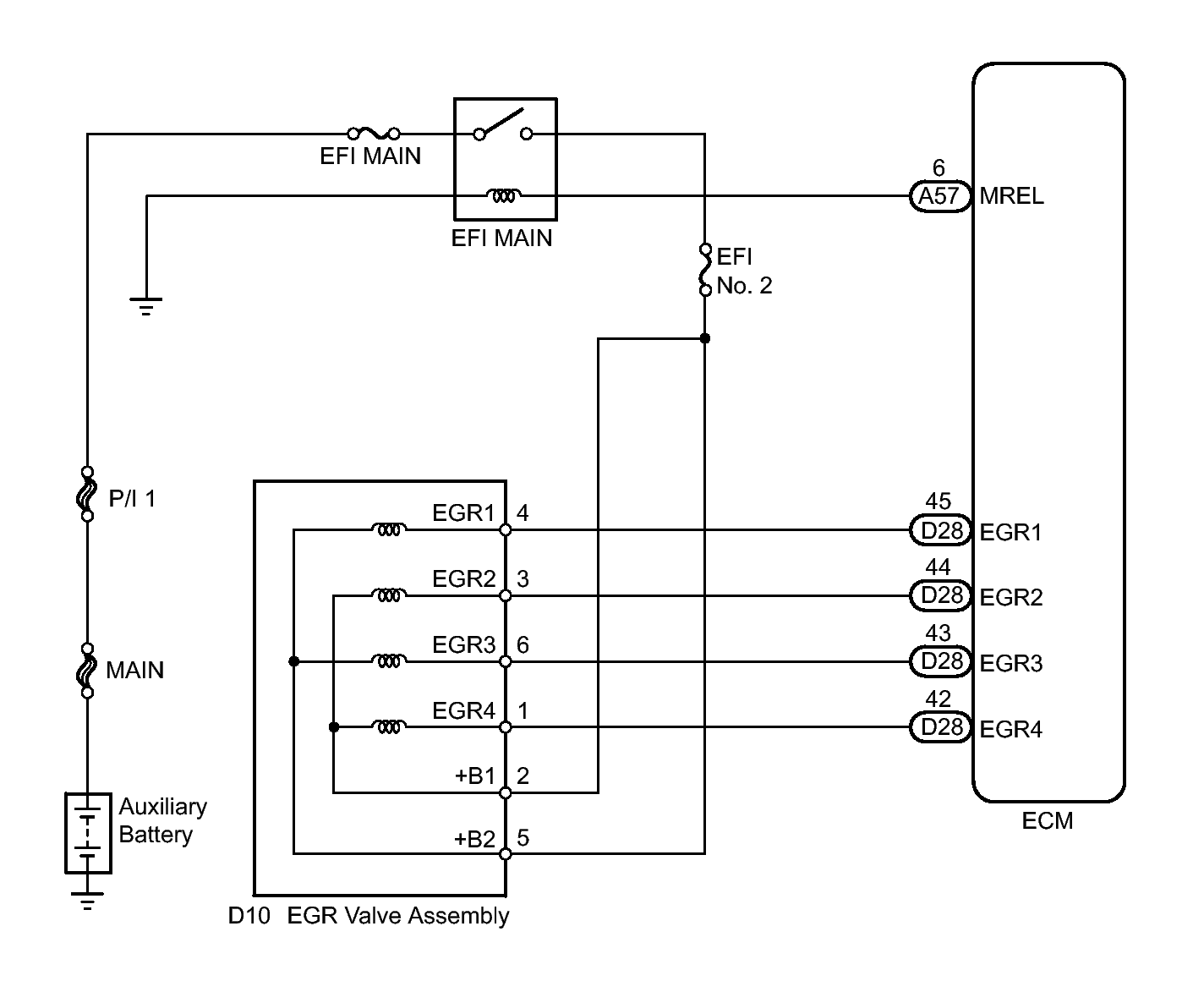
DTC P0403: Exhaust Gas Recirculation Control Circuit: Wiring Diagram

Fig 1: Exhaust Gas Recirculation Control Circuit Wiring Diagram
GTY324883Courtesy of © TOYOTA, LICENSE AGREEMENT TMS1002