LEMON Manuals: Even more car manuals for everyone
Home >> Toyota >> 2012 >> Prius Two >> Repair and Diagnosis (Single Page) >> Engine Performance >> Ignition System >> Smart Key System (Keyless Start) (Except Plug-In) (Diagnostic Codes & Symptom Tests) >> SMART KEY SYSTEM (for Start Function) >> Symptom Tests >> Power Source Mode does not Change to ON (READY) >> Wiring Diagram

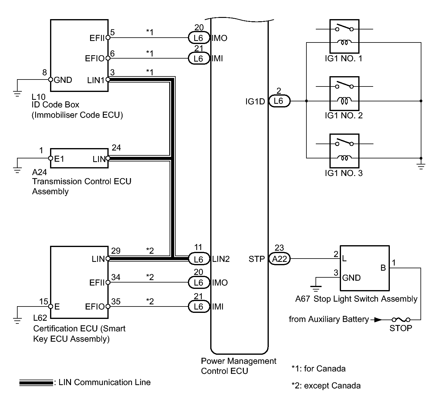
Power Source Mode does not Change to ON (READY): Wiring Diagram

Fig 1: Power Management Control ECU Wiring Diagram (1 Of 2)
GTY225066Courtesy of © TOYOTA, LICENSE AGREEMENT TMS1002
Fig 2: Power Management Control ECU Wiring Diagram (2 Of 2)
GTY324664Courtesy of © TOYOTA, LICENSE AGREEMENT TMS1002