LEMON Manuals: Even more car manuals for everyone
Home >> Toyota >> 2012 >> Prius Plug-in >> Repair and Diagnosis >> Engine Performance >> System >> Engine Control System (Plug-In) (Diagnostic Codes (P0010-P0454)) >> SFI System >> DTC P0403: Exhaust Gas Recirculation Control Circuit >> Wiring Diagram

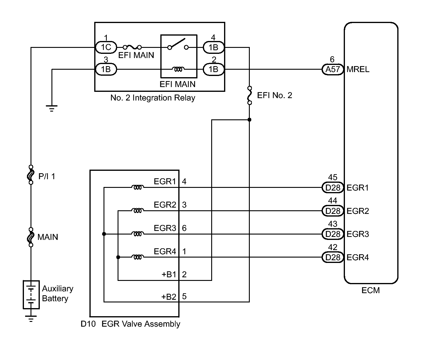
DTC P0403: Exhaust Gas Recirculation Control Circuit: Wiring Diagram

Fig 1: EGR Valve Assembly Circuit Diagram
GTY331725Courtesy of © TOYOTA, LICENSE AGREEMENT TMS1002