LEMON Manuals: Even more car manuals for everyone
Home >> Toyota >> 2012 >> Matrix S, FWD, Standard Trans >> Repair and Diagnosis >> External Pages >> Different car >> Section 6 (Engine Control System (2ZR-FE) (Diagnostics - Introduction)) >> SFI System >> System Diagram >> System Diagram

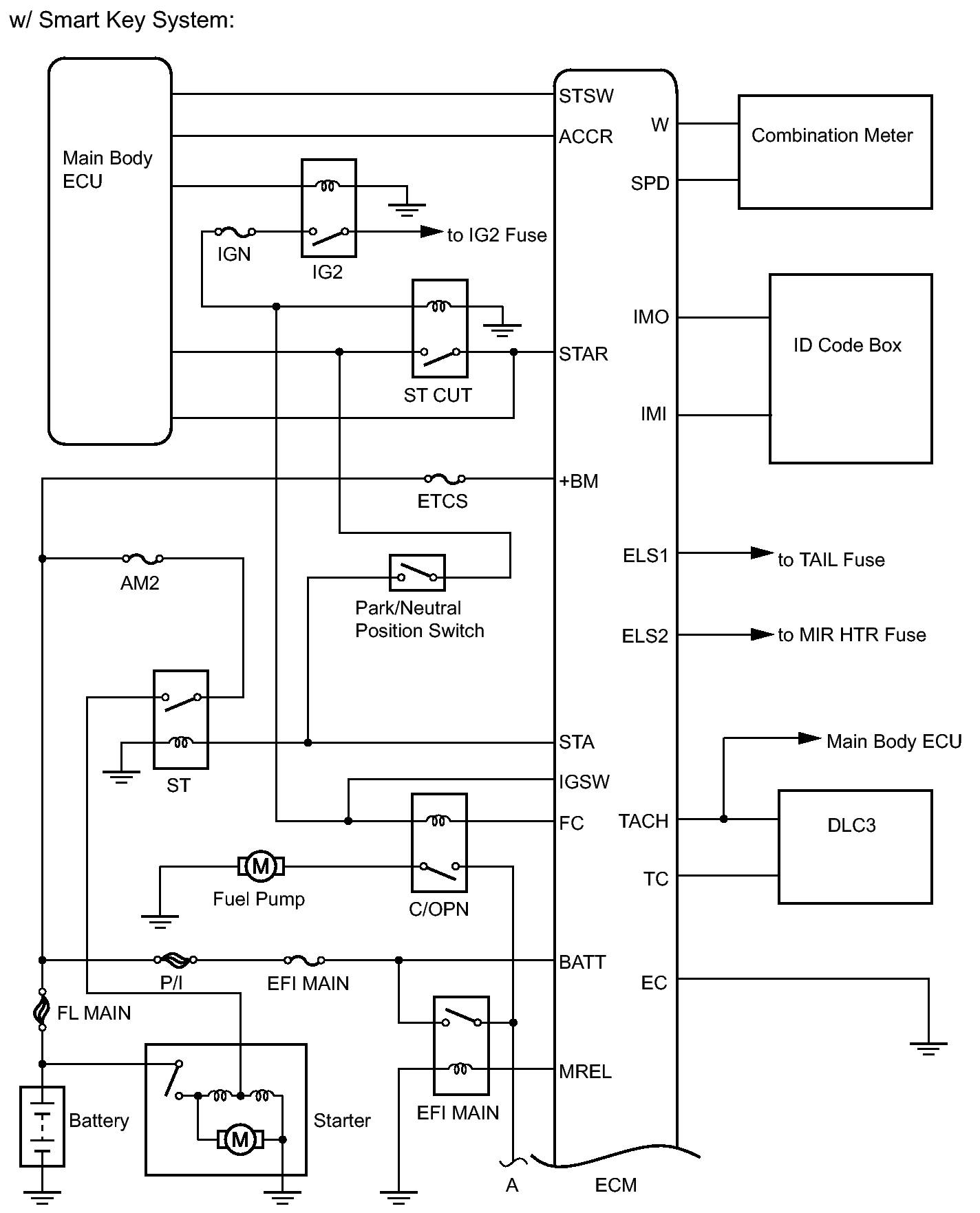
System Diagram

WARNING: This page is about a different car, the 2011 Toyota Corolla. However, it is still accessible from the selected car via links, so may be relevant.
Fig 1: Identifying SFI System - System Diagram (1 Of 5)
GTY294024Courtesy of © TOYOTA, LICENSE AGREEMENT TMS1002
Fig 2: Identifying SFI System - System Diagram (2 Of 5)
GTY167721Courtesy of © TOYOTA, LICENSE AGREEMENT TMS1002
Fig 3: Identifying SFI System - System Diagram (3 Of 5)
GTY293399Courtesy of © TOYOTA, LICENSE AGREEMENT TMS1002
Fig 4: Identifying SFI System - System Diagram (4 Of 5)
GTY180965Courtesy of © TOYOTA, LICENSE AGREEMENT TMS1002
Fig 5: Identifying SFI System - System Diagram (5 Of 5)
GTY290588Courtesy of © TOYOTA, LICENSE AGREEMENT TMS1002