LEMON Manuals: Even more car manuals for everyone
Home >> Toyota >> 2012 >> Matrix S, FWD, Automatic Trans >> Repair and Diagnosis >> External Pages >> Different car >> Section 297 (Smart Key System (Keyless Entry) (Diagnostics - Introduction)) >> SMART KEY SYSTEM (For Start Function) >> System Diagram >> System Diagram

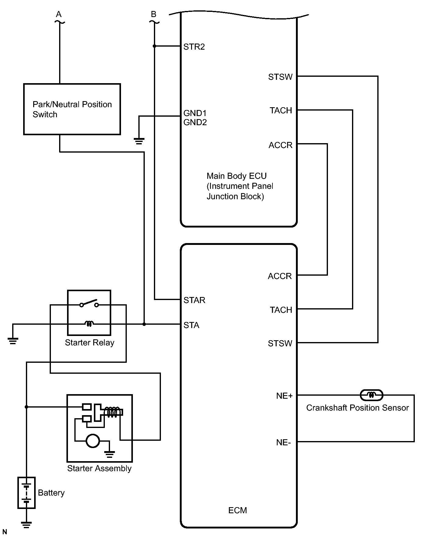
System Diagram

WARNING: This page is about a different car, the 2012 Toyota Corolla. However, it is still accessible from the selected car via links, so may be relevant.
Fig 1: Smart Key System Diagram (For Start Function) (1 Of 2)
GTY200266Courtesy of © TOYOTA, LICENSE AGREEMENT TMS1002
Fig 2: Smart Key System Diagram (For Start Function) (2 Of 2)
GTY318584Courtesy of © TOYOTA, LICENSE AGREEMENT TMS1002
COMMUNICATION TABLE

Transmitting ECU
(Transmitter)
Receiving ECU
(Receiver)
Signal Communication Method
Combination meter Main body ECU (instrument panel junction block) Vehicle speed signal CAN/Local communication
Steering lock ECU Main body ECU (instrument panel junction block) Steering lock/unlock signal LIN/Local communication
ECM Main body ECU (instrument panel junction block) Starter signal CAN
Shift position signal
Engine revolution speed signal CAN/Local communication
Main body ECU (instrument panel junction block) Certification ECU (smart key ECU assembly) Engine switch position signal CAN
Courtesy light switch signal
Wireless door lock buzzer request signal
Certification ECU (smart key ECU assembly) Main body ECU (instrument panel junction block) Illumination light request signal CAN
Certification ECU (smart key ECU assembly) Main body ECU (instrument panel junction block) Light answer back signal CAN
Certification ECU (smart key ECU assembly) Combination meter Meter buzzer single-shot request signal CAN
Meter buzzer intermittence request signal
Meter buzzer continuation request signal
Door open display signal
Key loss warning signal
Low key battery warning signal
Shift position warning signal
Steering lock abnormal warning
Steering lock unlock warning
Combination meter Certification ECU (smart key ECU assembly) / Main body ECU (instrument panel junction block) Vehicle speed signal CAN
Certification ECU (smart key ECU assembly) Main body ECU (instrument panel junction block) Key ID matching request signal LIN
Main body ECU (instrument panel junction block) Certification ECU (smart key ECU assembly) ID required signal LIN