LEMON Manuals: Even more car manuals for everyone
Home >> Toyota >> 2012 >> Matrix Base, Standard Trans >> Repair and Diagnosis >> External Pages >> Different car >> Section 365 (OEM System Circuits) >> ABS, TRAC and VSC (TMC Made) >> Notes

ABS, TRAC and VSC (TMC Made): Notes

WARNING: This page is about a different car, the 2012 Toyota Corolla. However, it is still accessible from the selected car via links, so may be relevant.
Fig 1: ABS, TRAC And VSC System Wiring Diagram (TMC Made; 1 Of 4)
G08842772Courtesy of © TOYOTA, LICENSE AGREEMENT TMS1002
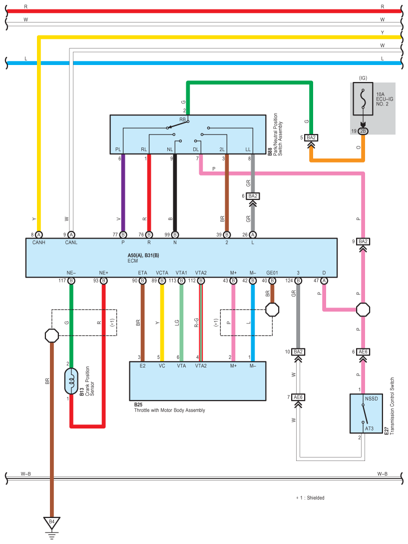
Fig 2: ABS, TRAC And VSC System Wiring Diagram (TMC Made; 2 Of 4)
G08842773Courtesy of © TOYOTA, LICENSE AGREEMENT TMS1002
Fig 3: ABS, TRAC And VSC System Wiring Diagram (TMC Made; 3 Of 4)
G08842774Courtesy of © TOYOTA, LICENSE AGREEMENT TMS1002
Fig 4: ABS, TRAC And VSC System Wiring Diagram (TMC Made; 4 Of 4)
G08842775Courtesy of © TOYOTA, LICENSE AGREEMENT TMS1002