LEMON Manuals: Even more car manuals for everyone
Home >> Toyota >> 2012 >> Matrix Base, Standard Trans >> Repair and Diagnosis (Single Page) >> Electrical >> Fuses & Circuit Breakers >> OEM Junction Block, Ecu & Fuse/Relay Locations >> Relay Block Identification >> Engine Room Relay Block Assembly And Engine Room Junction Block Assembly Inner Circuit

Engine Room Relay Block Assembly And Engine Room Junction Block Assembly Inner Circuit

Fig 1: Engine Room R/B And J/B Assembly Inner Circuit
G08798830Courtesy of © TOYOTA, LICENSE AGREEMENT TMS1002


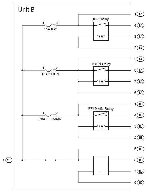
Fig 1: Engine Room R/B And J/B Assembly Relay Inner Circuit Diagram
G08798832Courtesy of © TOYOTA, LICENSE AGREEMENT TMS1002
Engine Room R/B And J/B Inner Circuit Relay Identification

RELAY DESCRIPTION
IG2 Relay
Horn Relay
EFI Main Relay