LEMON Manuals: Even more car manuals for everyone
Home >> Toyota >> 2012 >> Matrix Base, Standard Trans >> Repair and Diagnosis (Single Page) >> Electrical >> Body Electrical >> OEM System Circuits >> Remote Control Mirror >> Notes

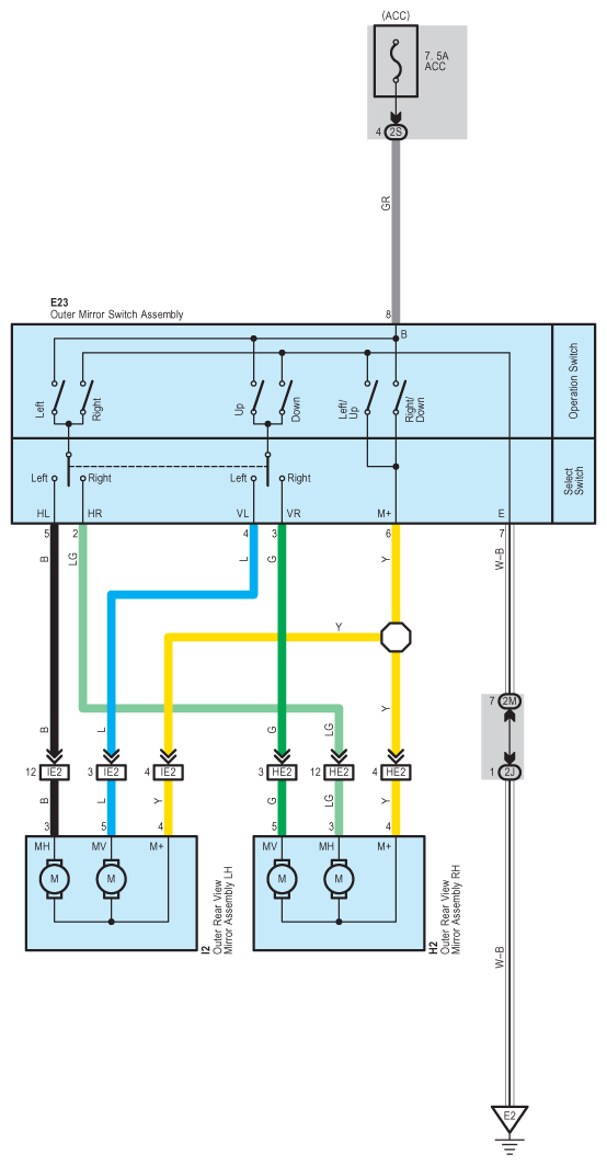
Remote Control Mirror: Notes

Fig 1: Remote Control Mirror Wiring Diagram
G08798990Courtesy of © TOYOTA, LICENSE AGREEMENT TMS1002