LEMON Manuals: Even more car manuals for everyone
Home >> Toyota >> 2012 >> Matrix Base, Automatic Trans >> Repair and Diagnosis >> External Pages >> Different car >> Section 365 (OEM System Circuits) >> Sliding Roof (Except TMC Made) >> Notes

Sliding Roof (Except TMC Made): Notes

WARNING: This page is about a different car, the 2012 Toyota Corolla. However, it is still accessible from the selected car via links, so may be relevant.
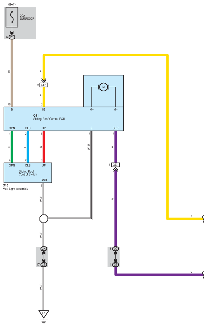
Fig 1: Sliding Roof System Wiring Diagram (Except TMC Made; 1 Of 4)
G08842947Courtesy of © TOYOTA, LICENSE AGREEMENT TMS1002
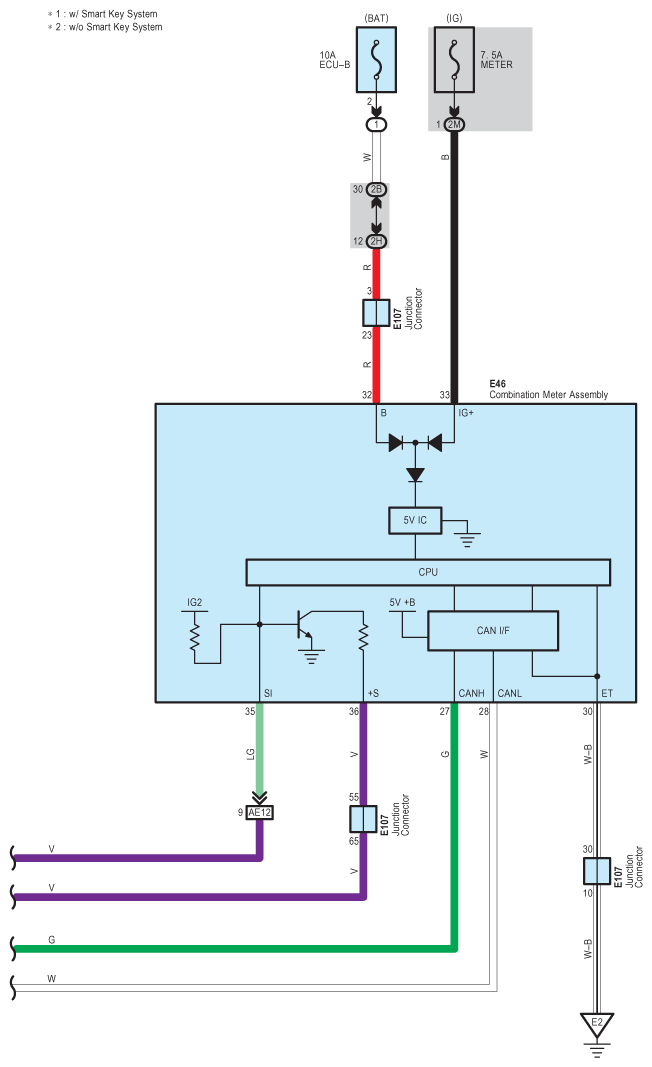
Fig 2: Sliding Roof System Wiring Diagram (Except TMC Made; 2 Of 4)
G08842948Courtesy of © TOYOTA, LICENSE AGREEMENT TMS1002
Fig 3: Sliding Roof System Wiring Diagram (Except TMC Made; 3 Of 4)
G08842949Courtesy of © TOYOTA, LICENSE AGREEMENT TMS1002
Fig 4: Sliding Roof System Wiring Diagram (Except TMC Made; 4 Of 4)
G08842950Courtesy of © TOYOTA, LICENSE AGREEMENT TMS1002