LEMON Manuals: Even more car manuals for everyone
Home >> Toyota >> 2012 >> Matrix Base, Automatic Trans >> Repair and Diagnosis >> External Pages >> Different car >> Section 365 (OEM System Circuits) >> Shift Lock (Except TMC Made) >> Notes

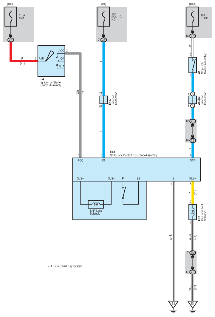
Shift Lock (Except TMC Made): Notes

WARNING: This page is about a different car, the 2012 Toyota Corolla. However, it is still accessible from the selected car via links, so may be relevant.
Fig 1: Shift Lock System Wiring Diagram (Except TMC Made)
G08842943Courtesy of © TOYOTA, LICENSE AGREEMENT TMS1002