LEMON Manuals: Even more car manuals for everyone
Home >> Toyota >> 2012 >> Matrix Base, Automatic Trans >> Repair and Diagnosis >> External Pages >> Different car >> Section 365 (OEM System Circuits) >> Power Window (TMC Made) >> Notes

Power Window (TMC Made): Notes

WARNING: This page is about a different car, the 2012 Toyota Corolla. However, it is still accessible from the selected car via links, so may be relevant.
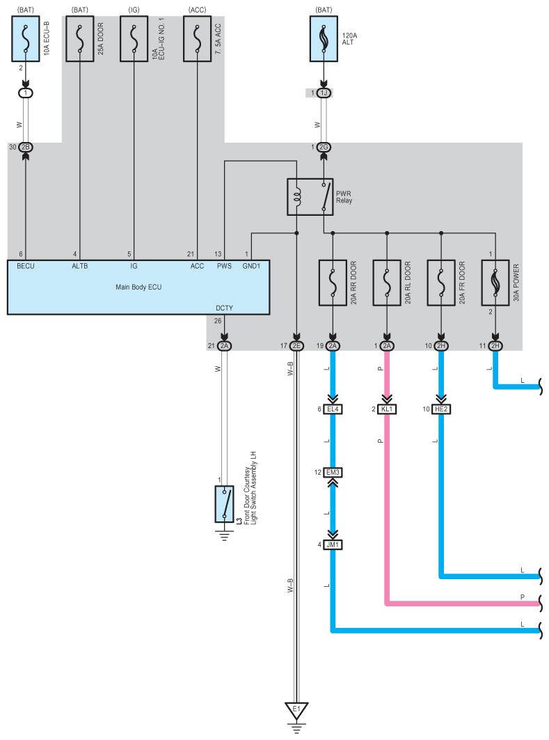
Fig 1: Power Window System Wiring Diagram (TMC Made; 1 Of 3)
G08842803Courtesy of © TOYOTA, LICENSE AGREEMENT TMS1002
Fig 2: Power Window System Wiring Diagram (TMC Made; 2 Of 3)
G08842804Courtesy of © TOYOTA, LICENSE AGREEMENT TMS1002
Fig 3: Power Window System Wiring Diagram (TMC Made; 3 Of 3)
G08842805Courtesy of © TOYOTA, LICENSE AGREEMENT TMS1002