LEMON Manuals: Even more car manuals for everyone
Home >> Toyota >> 2012 >> Matrix Base, Automatic Trans >> Repair and Diagnosis >> External Pages >> Different car >> Section 365 (OEM System Circuits) >> Power Source (Except TMC Made) >> Notes

Power Source (Except TMC Made): Notes

WARNING: This page is about a different car, the 2012 Toyota Corolla. However, it is still accessible from the selected car via links, so may be relevant.
Fig 1: Power Source System Wiring Diagram (Except TMC Made; 1 Of 5)
G08842839Courtesy of © TOYOTA, LICENSE AGREEMENT TMS1002
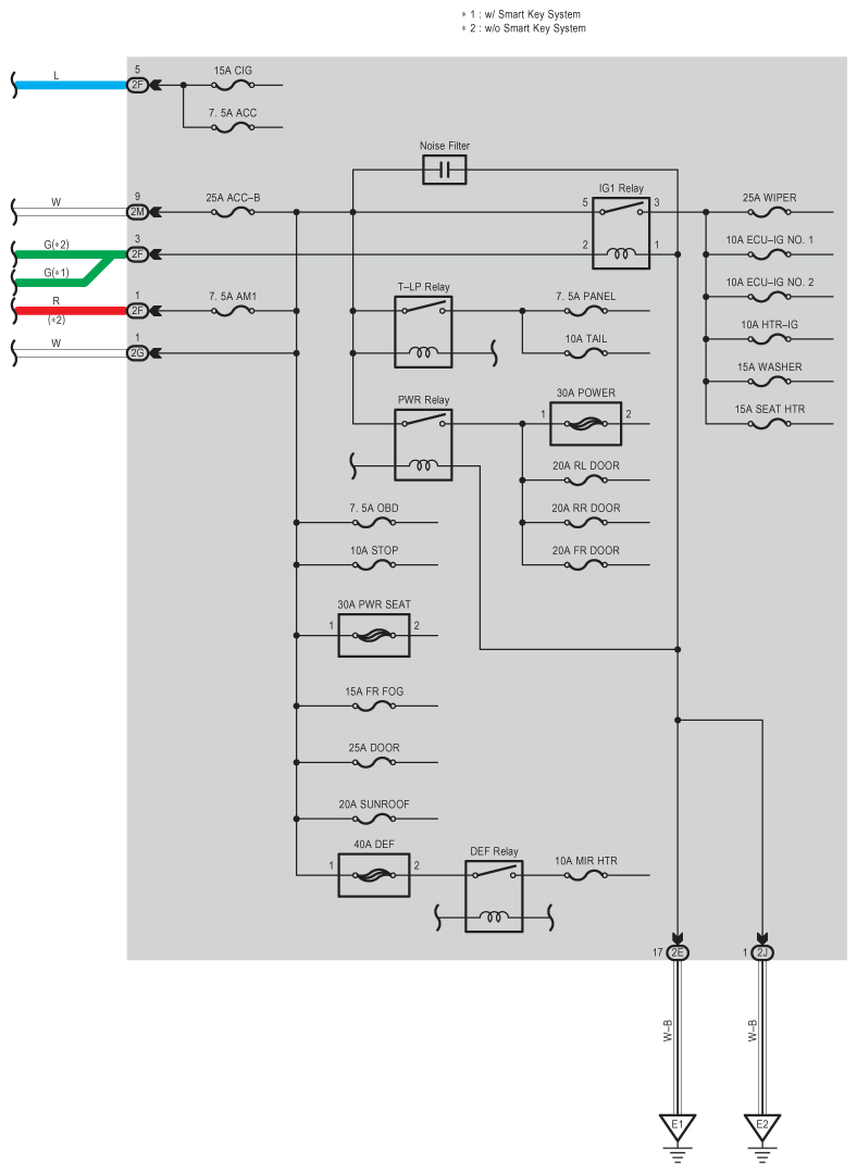
Fig 2: Power Source System Wiring Diagram (Except TMC Made; 2 Of 5)
G08842840Courtesy of © TOYOTA, LICENSE AGREEMENT TMS1002
Fig 3: Power Source System Wiring Diagram (Except TMC Made; 3 Of 5)
G08842841Courtesy of © TOYOTA, LICENSE AGREEMENT TMS1002
Fig 4: Power Source System Wiring Diagram (Except TMC Made; 4 Of 5)
G08842842Courtesy of © TOYOTA, LICENSE AGREEMENT TMS1002
Fig 5: Power Source System Wiring Diagram (Except TMC Made; 5 Of 5)
G08842843Courtesy of © TOYOTA, LICENSE AGREEMENT TMS1002